Scope
This document describes key hardware aspects of the Ezurio Sona™ IF513 series wireless modules providing a SDIO 3.0 interface for WLAN connection and high-speed 4-wire UART interface for Bluetooth® connection. This document is intended to assist device manufacturers and related parties with the integration of this radio into their host devices. Data in this document is drawn from several sources and includes information found in the Infineon CYW55513IUBGT data sheet issued on March 23, 2023, along with other documents provided by Infineon.
For full documentation on the Sona IF513, visit: http://www.ezurio.com/sona-if513-series.
Note: The information in this document is subject to change. Please contact Ezurio to obtain the most recent version of this document.
Introduction
General Description
The Sona IF513 series wireless module is an integrated, small form factor Wi-Fi/Bluetooth module that is optimized for low-power mobile devices, featuring:
- Wi-Fi 6E: Tri-band 1x1 MIMO IEEE 802.11a/b/g/n/ac/ax WLAN
- Bluetooth® Core 6.0: Dual Mode
The integration of all WLAN and Bluetooth functionality in a single package supports a low cost and simple implementation along with flexibility for platform-specific customization. The radio is pre-calibrated and integrates the complete transmit/receive RF paths including bandpass filter, diplexer, switches, reference crystal oscillator, and power management units (PMU). It is available in both M.2 2230 E-Key and M.2 1216 solder-down form factors with an MHF4 antenna connector and optional antenna diversity. The M.2 1216 module is also available with an RF trace pin for use with external antenna solutions.
The Sona IF513 series device supports IEEE 802.11ax tri-band (2.4/5/6 GHz) 1x1 MIMO with data rates up to MCS11 (143 Mbps PHY data rate for 2.4/5/6 GHz). The device’s low power consumption, radio architecture and power management unit (PMU) proprietary power save technologies allow for extended battery life.
In addition, its tri-band IEEE 802.11ax and Bluetooth radio includes full digital MAC and baseband engines that handle all 802.11 CCK/OFDM/OFDMA® 2.4/5/6 GHz and Bluetooth Core 6.0 (Basic Rate, Enhanced Data Rate, and Bluetooth Low Energy) baseband and protocol processing.
Ordering information is listed in Table 1. Please contact Ezurio Sales/FAE for further information.
This datasheet is subject to change. Please contact Ezurio for further information.
Features & Benefits
The Ezurio Sona IF513 series device features are described in Table 2.
Sona IF513 series wireless module feature
| Feature | Description | ||||||||||||||||||||||||||
|---|---|---|---|---|---|---|---|---|---|---|---|---|---|---|---|---|---|---|---|---|---|---|---|---|---|---|---|
| Radio Front End |
| ||||||||||||||||||||||||||
| The Bluetooth® word mark and logos are registered trademarks owned by Bluetooth SIG, Inc. Any use of such marks by Ezurio is under license. Other trademarks and trade names are those of their respective owners. | |||||||||||||||||||||||||||
| Power Management | One buck regulator, multiple LDO regulators, and a power management unit (PMU) are integrated into the CYW55513IUBGT. All regulators are programmable via the PMU. These blocks simplify power supply design for Bluetooth and WLAN functions in embedded designs. | ||||||||||||||||||||||||||
| Pre-Calibration | RF system tested and calibrated in production | ||||||||||||||||||||||||||
| Sleep Clock | The Sona IF513 series requires a 32.768 KHz sleep clock. There is an internal 32.768 KHz option on the Sona IF513 M.2 2230 card. The 32.768 kHz precision oscillator which meets the requirements listed following table must be used.
| ||||||||||||||||||||||||||
| Host Interface | The Sona IF513 M.2 card support the “SDIO/UART” interfaces:
| ||||||||||||||||||||||||||
| Advanced WLAN |
| ||||||||||||||||||||||||||
| Advanced Bluetooth |
| ||||||||||||||||||||||||||
Specification Summary
Processor / SoC / Chipset
| Wireless | Infineon AIROC™ CYW55513IUBGT |
Wi-Fi
| Standards | IEEE 802.11ax, 11ac, 11ac, 11a/b/g/n, 11d/h, 11i, 11r, 11w, 11e, 11k, 11ai, 11v |
| Interface | Secure Digital I/O 2.0/3.0 |
| Frequency Range | 2.4/5/6 GHz |
| Spatial Streams | 1 (1x1 MU-MIMO) |
| Supported Data Rates | Support 802.11 ax/ac/a/b/g/n 1x1 MU-MIMO. 802.11b: (DSSS, CCK) 1, 2, 5.5, 11 Mbps 802.11a/g: (OFDM) 6, 9, 12, 18, 24, 36, 48, 54 Mbps 802.11n: (OFDM, HT20, MCS0-7) 802.11ac: (OFDM, VHT20, MCS0-8) 802.11ax: (2.4 GHz / OFDM / HE20 / MCS0-11; 2.4 GHz / OFDMA / HE20 / MCS0-11) 802.11ax:
|
| Modulation Schemes | BPSK, QPSK, CCK, 16-QAM, 64-QAM, 256-QAM, 1024-QAM ![]() ![]() |
| Network Architecture Type | Infrastructure (client operation) |
| Wi-Fi Media | Direct Sequence-Spread Spectrum (DSSS) Complementary Code Keying (CCK) Orthogonal Frequency Division Multiplexing (OFDM) Orthogonal Frequency Division Multiple Access (OFDMA) |
| Wi-Fi Multimedia | WMM Wi-Fi Multimedia - PowerSave (WMM-PS with U-APSD) WMM-Sequential Access (WMM-SA) |
Bluetooth
| Standards | Bluetooth Classic and Bluetooth LE |
| Interface | Host Controller Interface (HCI) using high speed UART |
| Supported Data Rates | Classic: 1, 2, 3 Mbps Bluetooth LE: 1, 2 Mbps, 500 Kbps (S=2), 125 Kbps (S=8) |
| Classic Bluetooth Modulation | GFSK @ 1 Mbps Pi/4-DQPSK @ 2 Mbps 8-DPSK @ 3 Mbps |
| Bluetooth LE Modulation | GFSK @ 1, 2 Mbps GFSK @ 125, 500 Kbps |
| Bluetooth Media | Frequency Hopping Spread Spectrum (FHSS) |
Radio Performance
| Tx Power (max) | 802.11a 6 Mbps: 17 dBm (50.11 mW) 54 Mbps: 16.5 dBm (44.66 mW) 802.11b 1 Mbps: 18 dBm (63.09 mW) 11 Mbps: 18 dBm (63.09 mW) 802.11g 6 Mbps: 18 dBm (63.09 mW) 54 Mbps: 17 dBm (50.11 mW) 802.11n (2.4 GHz) HT20; MCS0-4: 18 dBm (63.09 mW) HT20; MCS5-7: 16 dBm (39.81 mW) 802.11ax (2.4 GHz) HE20; MCS0-4: 18 dBm (63.09 mW) HE20; MCS5-7: 16 dBm (39.81 mW) HE20; MCS8-9: 14 dBm (25.11 mW) HE20; MCS13: 10.5 dBm (19.95 mW) 802.11n (5 GHz) HT20; MCS0-4: 17 dBm (50.11 mW) HT20; MCS5-7: 16.5 dBm (44.66 mW) 802.11ac (5 GHz) VHT20; MCS0-4: 17 dBm (50.11 mW) VHT20; MCS5-7: 16.5 dBm (44.66 mW) VHT20; MCS8:14 dBm (25.12 mW) 802.11ax (5 GHz) HE20; MCS0-4: 17 dBm (50.11 mW) HE20; MCS5-7: 16.5 dBm (44.66 mW) HE20; MCS8-9: 14 dBm (25.12 mW) HE20; MC10-11: 13 dBm (19.95 mW) 802.11ax (6 Hz, UNII-5 / 6) 11a; 6M-24M: 15.5 dBm (35.48 mW) HE20; MCS0-4: 15.5 dBm (35.48 mW HE20; MCS5-7: 15 dBm (31.62 mW) HE20; MCS8-9: 13.5 dBm (22.38 mW) HE20; MCS10-11: 12 dBm (15.85 mW) 802.11ax (6 Hz, UNII-7 / 8) 11a; 6M-24M: 15 dBm (31.62 mW) HE20; MCS0-4: 15 dBm (31.62 mW) HE20; MCS5-7: 13 dBm (19.95 mW) HE20; MCS8-9: 12 dBm (15.85 mW) HE20; MCS10-11: 10.5 dBm (11.22 mW) Bluetooth 1 Mbps (1DH1 3, 5): 7 dBm (5.01 mW), Maximum 2 Mbps (2DH1, 3, 5): 3 dBm (2.51 mW), Maximum 3 Mbps (3DH1, 3, 5): 3 dBm (2.51 mW), Maximum LE (1 Mbps, 2 Mbps): 7 dBm (5.01 mW), Maximum LE-LR (S=2, S=8): 7 dBm (5.01 mW), Maximum |
| RX Sensitivity | 802.11a:
802.11b:
802.11g:
802.11n (2.4 GHz)
802.11ax (2.4 GHz)
802.11n (5 GHz)
802.11ac (5 GHz)
802.11ax (5 GHz)
802.11ax (6 GHz, UNII-5)
802.11ax (6 GHz, UNII-6)
802.11ax (6GHz, UNII-7)
802.11ax (6 GHz, UNII-8)
Bluetooth:
|
| Antenna Options | MHF4L Connector or Trace Pin |
| 2.4 GHz Frequency Bands | EU: 2.4 GHz to 2.483 GHz FCC/ISED: 2.4 GHz to 2.473 GHz UKCA: 2.4 GHz to 2.483 GHz MIC: 2.4 GHz to 2.483 GHz RCM: 2.4 GHz to 2.483 GHz |
| 5 GHz Frequency Bands | EU
FCC
ISED
UKCA
MIC
RCM
|
| 6 GHz Frequency Bands | FCC / ISED
EU
MIC
RCM
|
Interfaces
| Physical Interfaces | M.2 2230 E-Key standard form factor M.2 1216 108-pin LGA package (including 8 thermal ground pads under the package) |
| Network Interfaces | Wi-Fi: Secure Digital I/O 2.0/3.0 Bluetooth: Host Controller Interface (HCI) using high speed UART |
Power
| Input Voltage | Typical DC 3.3 V, operating range from DC 3.13V to 3.5V |
| I/O Signal Voltage | Compliant with M.2 standard Typical DC 1.8 V ± 5% |
Mechanical
| Dimensions | M.2 1216:
M.2 E-Key
|
| Weight | M.2 1216:
M.2 E-Key:
|
Software
| OS Support | Linux Android |
| Security |
|
Environmental
| Operating Temperature | -40° to +85°C (-40° to +185°F) |
| Storage Temperature | -40° to +85°C (-40° to +185°F) |
| Operating Humidity | 10 to 90% (non-condensing) |
| Storage Humidity | 10 to 90% (non-condensing) |
| MSL (Moisture Sensitivity Level) | 4 |
| Maximum Electrostatic Discharge | Conductive 8KV; Air coupled 12KV (follows EN61000-4-2) |
| Lead Free | Lead-free and RoHS Compliant |
Certifications
| Regulatory Compliance | United States (FCC) EU - Member countries of European Union (ETSI) Great Britain (UKCA) Canada (ISED) Australia/New Zealand (RCM) Japan (MIC) |
| Compliance Standards | EU
FCC
ISED Canada
AS/NZS
MIC
|
| Bluetooth SIG | Bluetooth® SIG Qualification D063147 |
| Wi-Fi Alliance |
Warranty
| Warranty Terms | One Year Warranty |
Functional Descriptions
WLAN Functional Description
| Feature | Description | ||||||||||||||||||||||||||||||||||||||||||||||||||||||||||||||||||||||||||||||||||||||||||||||||||||||||||||||||||||||||||||||||||||||||||||||||||||||||||||||||||||||||||||||||||||||||||||||||||||||||||||||||||||||||||||||||||||||||||||||||||
|---|---|---|---|---|---|---|---|---|---|---|---|---|---|---|---|---|---|---|---|---|---|---|---|---|---|---|---|---|---|---|---|---|---|---|---|---|---|---|---|---|---|---|---|---|---|---|---|---|---|---|---|---|---|---|---|---|---|---|---|---|---|---|---|---|---|---|---|---|---|---|---|---|---|---|---|---|---|---|---|---|---|---|---|---|---|---|---|---|---|---|---|---|---|---|---|---|---|---|---|---|---|---|---|---|---|---|---|---|---|---|---|---|---|---|---|---|---|---|---|---|---|---|---|---|---|---|---|---|---|---|---|---|---|---|---|---|---|---|---|---|---|---|---|---|---|---|---|---|---|---|---|---|---|---|---|---|---|---|---|---|---|---|---|---|---|---|---|---|---|---|---|---|---|---|---|---|---|---|---|---|---|---|---|---|---|---|---|---|---|---|---|---|---|---|---|---|---|---|---|---|---|---|---|---|---|---|---|---|---|---|---|---|---|---|---|---|---|---|---|---|---|---|---|---|---|---|---|---|---|---|---|---|---|---|---|---|---|---|---|---|---|---|---|
| WLAN MAC |
| ||||||||||||||||||||||||||||||||||||||||||||||||||||||||||||||||||||||||||||||||||||||||||||||||||||||||||||||||||||||||||||||||||||||||||||||||||||||||||||||||||||||||||||||||||||||||||||||||||||||||||||||||||||||||||||||||||||||||||||||||||
| WLAN Security | WLAN Encryption features supported include:
| ||||||||||||||||||||||||||||||||||||||||||||||||||||||||||||||||||||||||||||||||||||||||||||||||||||||||||||||||||||||||||||||||||||||||||||||||||||||||||||||||||||||||||||||||||||||||||||||||||||||||||||||||||||||||||||||||||||||||||||||||||
| WLAN Channel | Channel frequency supported.
| ||||||||||||||||||||||||||||||||||||||||||||||||||||||||||||||||||||||||||||||||||||||||||||||||||||||||||||||||||||||||||||||||||||||||||||||||||||||||||||||||||||||||||||||||||||||||||||||||||||||||||||||||||||||||||||||||||||||||||||||||||
Bluetooth Functional Description
| Feature | Description |
|---|---|
| Bluetooth Interface |
|
| Bluetooth Core functionality |
|
| Bluetooth Features |
|
Crystal Oscillator Requirements
Crystal Oscillator Specification
| 32.768 KHz Oscillator | |
|---|---|
| Frequency Accuracy | 200 ppm |
| Duty Cycle | 30% – 70% |
| Input Signal Amplitude | 200-1800 mV, peak-peak |
| Signal Type | Square or Sine Wave |
| Input impedance | >100 kΩ <5 pF |
| Clock Jitter | <10,000 ppm |
IMPORTANT:A 32.768 KHz crystal is required for the module to be functional. The module will not boot without this crystal.
Power-Up Sequence and Timing
Sona IF513 has two signals that allow the host to control power consumption by enabling or disabling the Bluetooth, WLAN, and internal regulator block.
Description of Control Signals
- WL_REG_ON: Used to power up the WLAN. When this pin is high, the internal regulators are enabled, and the WLAN section is out of reset. When this pin is low the WLAN section is in reset. This signal is connected to the W_DISABLE1# pin on the M.2 interface.
- BT_REG_ON: Used to power up the Bluetooth section. If both the BT_REG_ON and WL_REG_ON pins are low, the regulators are disabled. When this pin is low and WL_REG_ON is high, the Bluetooth section is in reset. This signal is connected to the W_DISABLE2# pin on the M.2 interface.
Control Signal Timing Diagrams

Bluetooth subsystem bootup sequence

WLAN boot-up sequence for SDIO host
Hardware Architecture
Block Diagrams
M.2 1216 Solder-Down type

M.2 2230 Key-E card

Note: The IF513 2230 module does support an on-board 32K clock option, please contact your sale/support contact if you need access to this option.
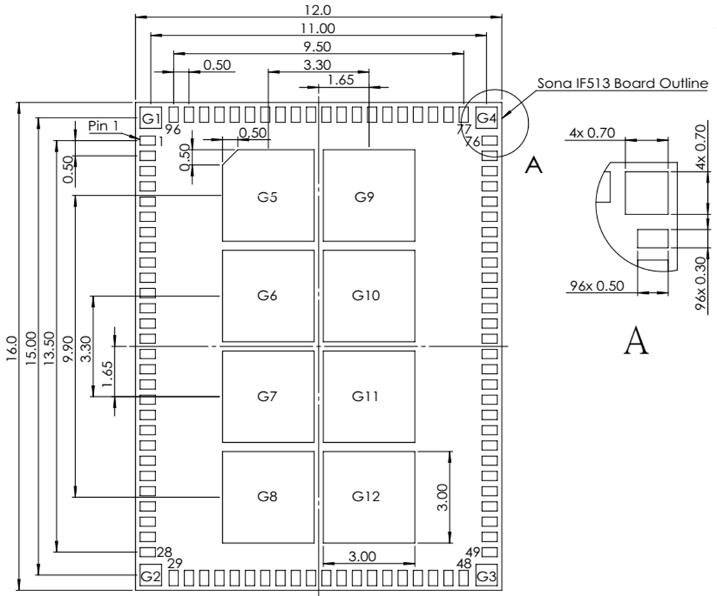
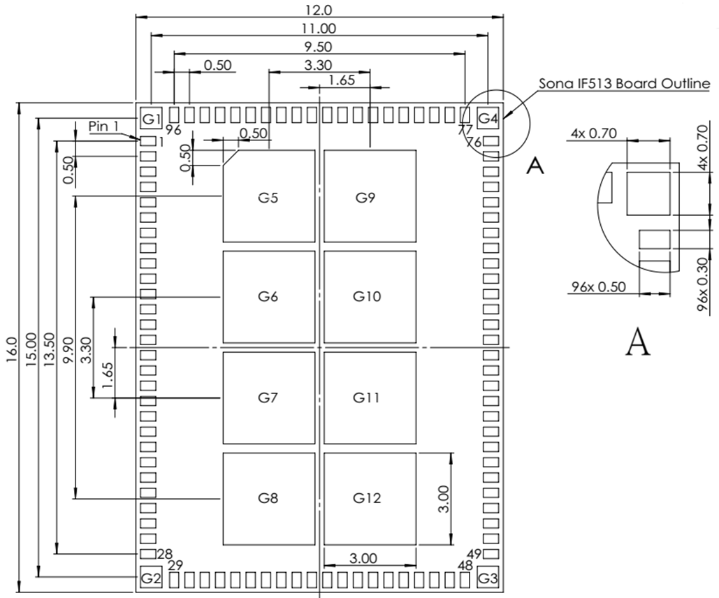
Pin-Out / Package Layout
Mechanical Drawings
M.2 1216
Module dimensions of Sona IF513 M.2 1216 package is 12 x 16 x 1.9 mm. Detailed drawings are shown below

.M.2 1216 PCB footprint (Top view)
Note: Dimensions are in millimeters tolerances:
Angular:± 0.5
X.X: ± 0.1
X.XX: ± 0.05
There are 4 variants for the Sona IF513 solder-down type, and the detailed drawings are shown below.

M.2 1216 (MHF4 variant) Non-Antenna Diversity type

M.2 1216 (Trace variant) Non-Antenna Diversity type

M.2 1216 (MHF4 variant) Antenna Diversity type

M.2 1216 (Trace variant) Antenna Diversity type
M.2 2230 Key-E
Module dimensions of Sona IF513 M.2 2230 E-Key module is 22 x 30 x 2.7 mm. Detailed drawings are shown below

Sona IF513 M.2 2230 Non-Antenna Diversity type

Sona IF513 M.2 2230 Antenna Diversity type
Note: The Wi-Fi MAC address is located on the product label.
The last digit of Wi-Fi MAC address is assigned to either 0, 2, 4, 6, 8, A, C, E.
The BT MAC address is the Wi-Fi MAC address plus 1.
M.2 2230 Key-E Mounting
The Sona IF513 M.2 2230 E-Key module connects to the host via a standard PCI EXPRESS M2 connector.
Kyocera’s 6411 series provides 1.8mm, 2.3mm and 3.2mm connector heights. JAE’s SM3 series provides 1.2mm, 2.15mm, 3.1mm and 4.1mm connector heights.
The Sona IF513 M.2 2230 E-Key module is a single-sided component module, so we recommend the connectors listed below.
Recommended M.2 2230 E-Key Connectors
| M.2 Key-E Connector | Connector Height |
|---|---|
| KYOCERA 24-6411-067-101-894E | 2.3 mm |
| JAE SM3ZS067U310AERxxxx | 3.1mm |
The corresponding standoffs are listed below.
Recommended M.2 E-Key Standoffs
| M.2 Key-E Connector | Stand-off |
| KYOCERA 24-6411-067-101-894E | EMI STOP F50M16-041525P1D4M |
| JAE SM3ZS067U310AERxxxx | JAE SM3ZS067U310-NUT1-Rxxxx |
Detailed layout and stencil opening are shown below.




M.2 2230 Key-E connector/standoff mounting
Host Interface Specifications
SDIO Specifications
The Sona IF513 series provides support for SDIO 2.0/3.0, including the new UHS-I6 modes:
- DS: Default speed (DS) up to 25 MHz, including 1- and 4-bit modes (1.8 V signaling)
- HS: High speed up to 50 MHz (1.8 V signaling)
- SDR12: SDR up to 25 MHz (1.8V signaling)
- SDR25: SDR up to 50 MHz (1.8V signaling)
- SDR50: SDR up to 100 MHz (1.8V signaling)
- DDR50: DDR up to 500 MHz (1.8V signaling)
The Sona IF513 series wireless module SDIO host interface pins are powered from the VDDIO voltage supply, which is set internally at 1.8V7 on the M.2 module.
Note:
[6] The UHS-I rate SDR104, that is part of the SDIO 3.0 specification is not supported.
[7] The SDIO host signals must be 1.8V at all times as defined by the M.2 standard.
Default mode and High-Speed mode

SDIO bus timing- Default mode (1.8V)

SDIO bus timing- High-Speed mode (1.8V)
Note: Over full range of values specified in the Recommended Operating Conditions unless otherwise specified.
SDIO timing requirements
| Symbol | Parameter | Condition | Min. | Typ. | Max. | Unit |
|---|---|---|---|---|---|---|
| fPP | Clock Frequency | Default mode High-Speed mode | 0 0 | - - | 25 50 | MHz |
| tWL | Clock low time | Default mode High-Speed mode | 10 7 | - - | - - | ns |
| tWH | Clock high time | Default mode High-Speed mode | 10 7 | - - | - - | ns |
| tTLH | Clock rise time | Default mode High-Speed mode | - - | - - | 10 3 | ns |
| tTHL | Clock low time | Default mode High-Speed mode | - - | - - | 10 3 | ns |
| tISU | Input Setup time | Default mode High-Speed mode | 5 6 | - - | - - | ns |
| tIH | Input Hold time | Default Speed High-Speed mode | 5 2 | - - | - - | ns |
| tODLY | Output delay time – Data Transfer mode | Default mode High-Speed mode | 0 - | - - | 14 14 | ns |
| Output delay time – Identification mode | Default mode | 0 | - | 50 | ns | |
| tOH | Output hold time | High-Speed mode | 2.5 | - | - | ns |
| CL | Total system capacitance (each line) | High-Speed mode | - | - | 40 | pF |
SDIO bus clock timing specifications in SDR mode

SDIO clock timing (SDR modes)
Note: Over full range of values specified in the Recommended Operating Conditions unless otherwise specified.
SDIO clock timing parameters (SDR modes)
| Symbol | Parameter | Condition | Min. | Typ. | Max. | Unit |
|---|---|---|---|---|---|---|
| tCLK | SDR12 | 40 | - | - | ns | |
| SDR25 | 20 | - | - | |||
| SDR50 | 10 | - | - | |||
| tCR, tCF | tCR, tCF < 2ns (max) at 100MHz CCARD=10pF | - | - | 0.2*tCLK | ns | |
| - | Clock duty cycle | SDR12/25/50/104 | 30 | - | 70 | % |
SDIO Bus Input Timing

SDIO bus input timing (SDR mode)
Note: Over full range of values specified in the Recommended Operating Conditions unless otherwise specified.
SDIO bus input timing requirements (SDR mode)
| Symbol | Parameter | Condition | Min. | Typ. | Max. | Unit |
|---|---|---|---|---|---|---|
| tIS | Input setup time, CCARD=10pF, VCT=0.975V | SDR50 | 3 | - | - | ns |
| tIH | Input Hold time, CCARD=5pF, VCT=0.975V | SDR50 | 0.8 | - | - | ns |
SDIO Bus Output Timing

SDIO bus output timing (SDR modes)
Note: Over full range of values specified in the Recommended Operating Conditions unless otherwise specified.
SDIO bus output timing requirements (SDR modes)
| Symbol | Parameter | Condition | Min. | Typ. | Max. | Unit |
|---|---|---|---|---|---|---|
| tODLY | Delay time, tCLK ≥ 20ns, CL = 40pF | SDR12/SDR25 | - | - | 14 | ns |
| Delay time, tCLK ≥ 10ns, CL = 30pF | SDR50 | - | - | 7.5 | ||
| tOH | Hold time, CL= 15pF | SDR12/SDR25/SDR50 | 1.5 | - | - | ns |
SDIO Bus Timing Specifications in DDR50 mode

SDIO clock timing (DDR50 mode)
Note: Over full range of values specified in the Recommended Operating Conditions unless otherwise specified.
SDIO bus clock timing requirements (DDR50 mode)
| Symbol | Parameter | Condition | Min. | Typ. | Max. | Unit |
|---|---|---|---|---|---|---|
| tCLK | - | DDR50 | 25 | - | - | ns |
| tCR, tCF | tCR, tCF < 4ns (max) at 50MHz CCARD=10pF | - | - | 0.2*tCLK | ns | |
| - | Clock duty cycle | DDR50 | 45 | - | 55 | % |
SDIO Bus Data Timing Specifications

SDIO data timing (DDR50 mode)
Note: Over full range of values specified in the Recommended Operating Conditions unless otherwise specified.
SDIO bus data timing requirements (DDR50 mode)
| Symbol | Parameter | Condition | Min. | Typ. | Max. | Unit |
|---|---|---|---|---|---|---|
| Input CMD | ||||||
| tISU | Input setup time | CCARD < 10pF | 6 | - | - | ns |
| tIH | Input hold time | CCARD < 10pF | 0.8 | - | - | |
| Output CMD | ||||||
| tODLY | Output delay time | CCARD < 30pF | - | - | 13.7 | ns |
| tOH | Output hold time | CCARD < 15pF | 1.5 | - | - | |
| Input DAT | ||||||
| tISU2x | Input setup time | CCARD < 10pF | 3 | - | - | ns |
| tIH2x | Input hold time | CCARD < 10pF | 0.8 | - | - | |
| Output DAT | ||||||
| tODLY2x | Output delay time | CCARD < 25pF | - | - | 7.5 | ns |
| tODLY2x | Output hold time | CCARD < 15pF | 1.5 | - | - |
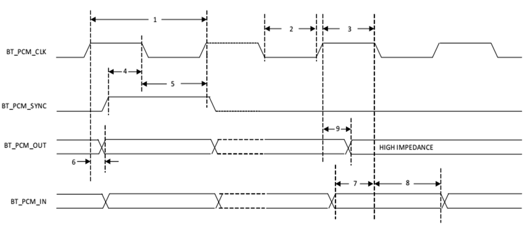
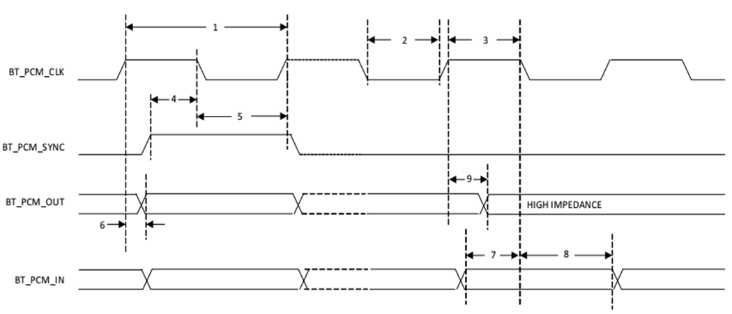
PCM Interface Specifications
PCM Interface
The Sona IF513 series wireless module supports a PCM interface. The PCM interface on the Sona IF513 series wireless module can connect to linear PCM codec devices in Master/Slave mode. In Master mode, the Sona IF513 generates the BT_PCM_CLK and BT_PCM_SYNC signals, and in Slave mode, these signals are provided by another master on the PCM interface and are input to the Sona IF513 module.
The configuration of the PCM interface may be adjusted by the host through the use of vendor-specific HCI commands.
Burst PCM mode
In this mode of operation, the PCM bus runs at a significantly higher rate of operation to allow the host to duty cycle its operation and save current. In this mode of operation, the PCM bus can operate at a rate of up to 24 MHz. This mode of operation is initiated with an HCI command from the host.

PCM timing diagram – Short Frames Sync, Master Mode
PCM timing specification – Short Frames Sync, Master Mode
| Reference | Characteristics | Min. | Typ. | Max. | Unit |
|---|---|---|---|---|---|
| 1 | PCM bit clock frequency | - | - | 12.0 | MHz |
| 2 | PCM bit clock LOW | 41.0 | - | - | ns |
| 3 | PCM bit clock HIGH | 41.0 | - | - | ns |
| 4 | BT_PCM_SYNC delay | 0 | - | 25.0 | ns |
| 5 | BT_PCM_OUT delay | 0 | - | 25.0 | ns |
| 6 | BT_PCM_IN setup | 8.0 | - | - | ns |
| 7 | BT_PCM_IN hold | 8.0 | - | - | ns |
| 8 | Delay from rising edge of BT_PCM_CLK during last bit period to BT_PCM_OUT becoming high impedance | 0 | - | 25.0 | ns |

PCM timing diagram- Short Frame Sync, Slave Mode
PCM timing specification – Short Frame Sync, Slave Mode
| Reference | Characteristics | Min. | Typ. | Max. | Unit |
|---|---|---|---|---|---|
| 1 | PCM bit clock frequency | - | - | 12.0 | MHz |
| 2 | PCM bit clock LOW | 41.0 | - | - | ns |
| 3 | PCM bit clock HIGH | 41.0 | - | - | ns |
| 4 | BT_PCM_SYNC setup | 8.0 | - | - | ns |
| 5 | BT_PCM_SYNC hold | 8.0 | - | - | ns |
| 6 | BT_PCM_OUT delay | 0 | - | 25.0 | ns |
| 7 | BT_PCM_IN setup | 8.0 | - | - | ns |
| 8 | BT_PCM_IN hold | 8.0 | - | - | ns |
| 9 | Delay from rising edge of BT_PCM_CLK during last bit period to BT_PCM_OUT becoming high impedance | 0 | - | 25.0 | ns |
UART Interface Specifications
The Sona IF513 series Bluetooth access through the UART interface that it is a standard 4-wire interface (RX, TX, RTS, and CTS) with adjustable rates from 9600 bps to 4.0 Mbps. The baud rate may be selected through a vendor-specific UART HCI command. The default baud rate is 115.2 K baud.

UART timing diagram
UART timing specifications
| Reference | Characteristics | Min. | Typ. | Max. | Unit |
|---|---|---|---|---|---|
| 1 | Delay time, BT_UART_CTS_N low to BT_UART_TXD valid | - | - | 1.5 | Bit periods |
| 2 | Setup time, BT_UART_CTS_N high before midpoint of stop bit | - | - | 0.5 | Bit periods |
| 3 | Delay time, midpoint of stop bit to BT_UART_RTS_N high | - | - | 0.5 | Bit periods |
Pin Definitions & Functionality
M.2 1216 Solder-Down
M.2 1216 pin definitions
| Pin # | Name | Type | Voltage Ref. | Function | If Not Used |
|---|---|---|---|---|---|
| 1 | - | - | - | - | Unused |
| 2 | - | - | - | - | Unused |
| 3 | - | - | - | - | Unused |
| 4 | VBAT | PWR | 3.3V | DC supply voltage for module. Operational: VBAT is 3.0V to 4.8V ** VBAT at 3.13V to 3.5V has the same TX power but a better EVM/harmonic emissions margin | - |
| 5 | VBAT | PWR | 3.3V | DC supply voltage for module. Operational: VBAT is 3.0V to 4.8V ** VBAT at 3.13V to 3.5V has the same TX power but a better EVM/harmonic emissions margin | - |
| 6 | GND | - | - | Ground | GND |
| 7 | - | - | - | - | Unused |
| 8 | - | - | - | - | Unused |
| 9 | I2C_CLK | I | 1.8V | I2C clock signal input This signal has been reserved for other use, do not use this signal. This feature is not provided by the released IF513 firmware. | NC |
| 10 | I2C_SDA | I/O | 1.8V | I2C signal data input/output This signal has been reserved for other use, do not use this signal. This feature is not provided by the released IF513 firmware. | NC |
| 11 | - | - | - | - | Unused |
| 12 | - | - | - | - | Unused |
| 13 | - | - | - | - | Unused |
| 14 | - | - | - | - | Unused |
| 15 | - | - | - | - | Unused |
| 16 | - | - | - | - | Unused |
| 17 | GND | - | - | Ground | GND |
| 18 | - | - | - | - | Unused |
| 19 | - | - | - | - | Unused |
| 20 | GND | - | - | Ground | GND |
| 21 | - | - | - | - | Unused |
| 22 | - | - | - | - | Unused |
| 23 | GND | - | - | Ground | GND |
| 24 | - | - | - | - | Unused |
| 25 | - | - | - | - | Unused |
| 26 | GND | - | - | Ground | GND |
| 27 | LPO_IN | I | VDDIO | External sleep clock input (32.768 KHz) | - |
| 28 | WL_REG_ON | I | VDDIO | Enables WLAN regulators. There is an internal 50K pull down resistor on this signal. | - |
| 29 | - | - | - | - | Unused |
| 30 | - | - | - | - | Unused |
| 31 | - | - | - | - | Unused |
| 32 | GND | - | - | Ground | GND |
| 33 | - | - | - | - | Unused |
| 34 | - | - | - | - | Unused |
| 35 | GND | - | - | Ground | GND |
| 36 | - | - | - | - | Unused |
| 37 | - | - | - | - | Unused |
| 38 | GND | - | - | Ground | GND |
| 39 | - | - | - | - | Unused |
| 40 | - | - | - | - | Unused |
| 41 | GND | - | - | Ground | GND |
| 42 | - | - | - | - | Unused |
| 43 | BT_DEV_WAKE | I | VDDIO | Bluetooth Device Wake-up: Signal from host to Sona IF513. | NC |
| 44 | WL_DEV_WAKE | I | VDDIO | WLAN Device Wake-up: Signal from host to Sona IF513. | NC |
| 45 | - | - | - | - | Unused |
| 46 | GPIO_0_WL_HOST_WAKE | O | VDDIO | Host wake up. Signal from the Sona IF513. | NC |
| 47 | SDIO_DATA_3 | I/O | VDDIO | SDIO Data line 3 | NC |
| 48 | SDIO_DATA_2 | I/O | VDDIO | SDIO Data line 2
| NC |
| 49 | SDIO_DATA_1 | I/O | VDDIO | SDIO Data line 1 | NC |
| 50 | SDIO_DATA_0 | I/O | VDDIO | SDIO Data line 0 | NC |
| 51 | SDIO_CMD | I/O | VDDIO | SDIO Command Line | NC |
| 52 | SDIO_CLK | I | VDDIO | SDIO Clock Input | NC |
| 53 | BT_HOST_WAKE | O | VDDIO | Host wake up. Signal from the Sona IF513. | NC |
| 54 | BT_UART_CTS_N | I | VDDIO | UART clear-to-send. Active-low clear-to-send signal for the HCI UART interface. | NC |
| 55 | BT_UART_TXD | O | VDDIO | UART Serial Output. Serial data output for the HCI UART interface. | NC |
| 56 | BT_UART_RXD | I | VDDIO | UART Serial Input. Serial data input for the HCI UART interface. | NC |
| 57 | BT_UART_RTS_N | O | VDDIO | UART request-to-send. Active-low request-to-send signal for the HCI UART interface. | NC |
| 58 | BT_PCM_SYNC | I/O | VDDIO | PCM Sync. Supported - Master (Output) or Slave (Input). | NC |
| 59 | BT_PCM_IN | I | VDDIO | PCM data input. | NC |
| 60 | BT_PCM_OUT | O | VDDIO | PCM data output | NC |
| 61 | BT_PCN_CLK | I/O | VDDIO | PCM clock. Supported – Master (Output) or Slave (Input). | NC |
| 62 | GND | - | - | Ground | GND |
| 63 | BT_REG_ON | I | VDDIO | Enables Bluetooth regulators. There is an internal 50K pull down resistor on this signal. | - |
| 64 | GPIO_3 | I/O | VDDIO | Reserved for feature support | NC |
| 65 | GPIO_2 | I/O | VDDIO | Reserved for feature support | NC |
| 66 | VDDIO | PWR | 1.8V | IO supply for IF513
| NC |
| 67 | - | - | - | - | Unused |
| 68 | GND | - | - | Ground | GND |
| 69 | - | - | - | - | Unused |
| 70 | - | - | - | - | Unused |
| 71 | GND | - | - | Ground | GND |
| 72 | VBAT | PWR | 3.3V | DC supply voltage for module. Operational: VBAT is 3.0V to 4.8V ** VBAT at 3.13V to 3.5V has the same TX power but a better EVM/harmonic emissions margin | - |
| 73 | VBAT | PWR | 3.3V | DC supply voltage for module. Operational: VBAT is 3.0V to 4.8V ** VBAT at 3.13V to 3.5V has the same TX power but a better EVM/harmonic emissions margin | - |
| 74~75 | GND | - | - | Ground | GND |
| 76 | - | - | - | - | NC |
| 77~80 | GND | - | - | Ground | GND |
| 81 | WL_C2 | I/O | - | For the Sona IF513 Trace type module – Antenna diversity_WLAN port (AUX antenna port) | - |
| 82~85 | GND | - | - | Ground | GND |
| 86 | WL_C0 | I/O | - | For the Sona IF513 Trace type module – Antenna diversity_WLAN/Bluetooth port (Main antenna port) | - |
| 87~91 | GND | - | - | Ground | GND |
| 92 | WL_C1 | I/O | - | For the Sona IF513 Trace type module – Non-Antenna diversity_WLAN/Bluetooth port | - |
| 93~96 | GND | - | - | Ground | GND |
| G1~G12 | GND | - | - | Ground | GND |
M.2 2230 Key-E
M.2 2230 Key-E pin definitions
| Pin # | Name | Type | Voltage Ref. | Function | If Not Used |
|---|---|---|---|---|---|
| 1 | GND | - | - | Ground | GND |
| 2 | 3.3V | PWR I/P | 3.3V | DC supply voltage for module. ** VBAT at 3.13V to 3.5V has the same TX power but a better EVM/harmonic emissions margin | - |
| 3 | USB_D+ | - | - | NC | Unused |
| 4 | 3.3 V | PWR I/P | 3.3 V | DC supply voltage for module. ** VBAT at 3.13V to 3.5V has the same TX power but a better EVM/harmonic emissions margin | - |
| 5 | USB_D- | - | - | NC | Unused |
| 6 | LED1# | O | 3.3V | Reserved for the GPIO2 | NC |
| 7 | GND | - | - | Ground | GND |
| 8 | PCM_CLK | I/O | 1.8V | PCM clock. Can be master (Output) or slave (Input) | NC |
| 9 | SDIO CLK | I | 1.8V | SDIO clock input | NC |
| 10 | PCM_SYNC | I/O | 1.8V | PCM Sync. Can be master (Output) or slave (Input) | NC |
| 11 | SDIO CMD | I/O | 1.8V | SDIO command line | NC |
| 12 | PCM_OUT | O | 1.8V | PCM data output. | NC |
| 13 | SDIO DATA0 | I/O | 1.8V | SDIO data line0 | NC |
| 14 | PCM_IN | I | 1.8V | PCM data input. | NC |
| 15 | SDIO DATA1 | I/O | 1.8V | SDIO data line1 | NC |
| 16 | LED2# | O | 3.3V | Reserved for the GPIO3 | NC |
| 17 | SDIO DATA2 | I/O | 1.8V | SDIO data line2
| NC |
| 18 | GND | - | - | Ground | GND |
| 19 | SDIO DATA3 | I/O | 1.8V | SDIO data line3 | NC |
| 20 | UART WAKE# | O | 3.3 V | Reserved for BT_HOST_WAKE- Output signal to wake up Host. | NC |
| 21 | SDIO WAKE# | O | 1.8V | Reserved for WL_HOST_WAKE- Output signal to wake up host. | NC |
| 22 | UART_TXD | O | 1.8V | Serial data output for the HCI UART interface. | NC |
| 23 | SDIO RESET# | - | - | NC | Unused |
| 32 | UART_RXD | I | 1.8V | Serial data input for the HCI UART interface. | NC |
| 33 | GND | - | - | Ground | GND |
| 34 | UART_RTS | O | 1.8V | Active-Low request-to-send signal for the HCI UART interface. | NC |
| 35 | PERp0 | - | - | - | Unused |
| 36 | UART_CTS | I | 1.8V | Active-Low clear-to-send signal for the HCI UART interface. | NC |
| 37 | PERn0 | - | - | - | Unused |
| 38 | VENDOR DEFINED38 | - | - | - | Unused |
| 39 | GND | - | - | Ground | GND |
| 40 | VENDOR DEFINED40 | I | 1.8V | Reserved for WL_DEVICE_WAKE- Input signal from host to wake up WLAN module. | NC |
| 41 | PETp0 | - | - | - | Unused |
| 42 | VENDOR DEFINED42 | I/O | 1.8V | Reserved for BT_DEVICE_WAKE- Input signal from host to wake up Bluetooth. | NC |
| 43 | PETn0 | - | - | - | Unused |
| 44 | COEX3 | - | - | - | Unused |
| 45 | GND | - | - | Ground | GND |
| 46 | COEX2 | - | - | - | Unused |
| 47 | REFCLKp0 | - | - | - | Unused |
| 48 | COEX1 | - | - | - | Unused |
| 49 | REFCLKn0 | - | - | - | Unused |
| 50 | SUSCLK | I | 3.3 V | External Sleep Clock input (32.768KHz) The sleep clock is always needed for using this module. If the 32.768 KHz signal is not available externally, a 32.768 KHz circuit has been reserved in the M.2 module but is not populated by default. | Required |
| 51 | GND | - | - | Ground | GND |
| 52 | PERST0# | - | - | - | Unused |
| 53 | CLKREQ0# | - | - | - | Unused |
| 54 | W_DISABLE2# | I | 3.3 V | Enables Bluetooth regulators. Ground to disable Bluetooth. | |
| 55 | PEWAKE0# | - | - | - | Unused |
| 56 | W_DISABLE1# | I | 3.3 V | Enables WLAN regulators. Ground to disable WLAN. | |
| 57 | GND | - | - | Ground | GND |
| 58 | I2C DATA | I/O | - | I2C signal data input/output This signal has been reserved for other use, do not use this signal. This feature is not provided by the released IF513 firmware. | NC |
| 59 | RESERVED | - | - | NC | NC |
| 60 | I2C CLK | I | - | I2C clock signal input This signal has been reserved for other use, do not use this signal. This feature is not provided by the released IF513 firmware. | NC |
| 61 | RESERVED | - | - | NC | NC |
| 62 | ALERT# | - | - | NC | NC |
| 63 | GND | - | - | Ground | GND |
| 64 | RESERVED | - | - | NC | NC |
| 65 | RESERVED | - | - | NC | NC |
| 66 | UIM_SWP | - | - | NC | NC |
| 67 | RESERVED | - | - | NC | NC |
| 68 | UIM_POWER_SNK | - | - | NC | NC |
| 69 | GND | - | - | Ground | GND |
| 70 | UIM_POWER_SRC | - | - | NC | NC |
| 71 | RESERVED | - | - | NC | NC |
| 72 | 3.3V | PWR I/P | 3.3V | DC supply voltage for module. ** VBAT at 3.13V to 3.5V has the same TX power but a better EVM/harmonic emissions margin | -- |
| 73 | RESERVED | - | - | NC | NC |
| 74 | 3.3V | PWR I/P | 3.3V | DC supply voltage for module. ** VBAT at 3.13V to 3.5V has the same TX power but a better EVM/harmonic emissions margin | -- |
| 75 | GND | - | - | Ground | GND |
Electrical Characteristics
Absolute Maximum Ratings
The table below summarizes the absolute maximum ratings for the Sona IF513 series wireless module. Absolute maximum ratings are those values beyond which damage to the device can occur. Functional operation under these conditions, or at any other condition beyond those indicated in the operational sections of this document, is not recommended.
Note: Maximum rating for signals follows the supply domain of the signals.
| Symbol (Domain) | Description | Max Rating | Unit |
|---|---|---|---|
| VBAT | External DC power supply (M.2 1216) | +6.0 | V |
| VDDIO | DC supply voltage for digital I/O (M.2 1216) | 2.2 | V |
| 3V3 | External 3.3V power supply (M.2 2230 E-Key) | 3.6 | V |
| Storage | Storage temperature | -40 to +125 | °C |
| Antenna | Maximum RF input (reference to 50-Ω input) | +10 | dBm |
| ESD | Electrostatic discharge tolerance | 2000 | V |
Recommended Operating Conditions
The table below lists the recommended operating conditions for the Sona IF513 series wireless module.
| Symbol (Domain) | Parameter | Min | Typ | Max | Unit |
|---|---|---|---|---|---|
| VBAT | External DC power supply | 3.13 | 3.3 | 3.5 | V |
| VDDIO | DC supply voltage for digital I/O | 1.71 | 1.8 | 1.89 | V |
| T-ambient | Ambient temperature | -40 | 25 | +85 | °C |
DC Electrical Characteristics / Current Consumption
The table below lists the general DC electrical characteristics over recommended operating conditions (unless otherwise specified).
| Symbol | Parameter | Conditions | Min | Typ | Max | Unit |
|---|---|---|---|---|---|---|
| VIH | High Level Input Voltage | — | 0.65 x VDDIO | — | — | V |
| VIL | Low Level Input Voltage | — | — | — | 0.35 x VDDIO | V |
| VOH | Output high Voltage | — | VDDIO – 0.4 | — | — | V |
| VOL | Output low Voltage | — | — | — | 0.45 | V |
Radio Characteristics
WLAN Radio Receiver Characteristics
The following tables summarize the Sona IF513 series wireless module receiver characteristics.
WLAN receiver characteristics for 2.4 GHz single chain operation
| Item | Parameter | Conditions | Min | Typ | Max | Unit |
|---|---|---|---|---|---|---|
| Frequency Range | Receive input frequency range | — | 2.412 | — | 2.484 | GHz |
| Modulation Type | Sensitivity | |||||
| CCK, 1 Mbps | See Note1 | — | -97 | — | dBm | |
| CCK, 11 Mbps | — | -90 | — | |||
| OFDM, 6 Mbps | — | -93 | — | |||
| OFDM, 54 Mbps | — | -76 | — | |||
| HT20, MCS0 | — | -93 | — | |||
| HT20, MCS7 | — | -75 | — | |||
| HE20, MCS0 | — | -93 | — | |||
| HE20, MCS11 | — | -62 | — | |||
ACI – CCK [Difference between interfering and desired signal (20 MHz apart)] | Desired and interfering signal 30 MHz apart | |||||
| 1 Mbps (-74 dBm) | — | >48 | — | dB | ||
| Desired and interfering signal 25 MHz apart | ||||||
| 11 Mbps (-70 dBm) | — | >46 | — | dB | ||
ACI - OFDM [Difference between interfering and desired signal (20 MHz apart)] | 6 Mbps (-79 dBm) | — | 42.5 | — | ||
| 54 Mbps (-62 dBm) | See Note1 | — | 25.5 | — | dB | |
ACI – MCS0-11 [Difference between interfering and desired signal (20 MHz apart)] | MCS0 (-79dBm) | — | 35.5 | — | dB | |
| MCS7 (-61 dBm) | — | 15 | — | |||
| HE9 (-54 dBm) | — | 10.3 | — | dB | ||
| HE11 (-49 dBm) | — | 5.3 | — | |||
WLAN receiver characteristics for 5 GHz single chain operation
| Item | Parameter | Conditions | Min | Typ | Max | Unit |
|---|---|---|---|---|---|---|
| Frequency Range | Receive input frequency range | — | 5.15 | — | 5.825 | GHz |
| Modulation Type | Sensitivity | |||||
| OFDM, 6 Mbps | See Note1 | — | -90 | — | dBm | |
| OFDM, 54 Mbps | — | -74 | — | |||
| HT20, MCS0 | — | -90 | — | |||
| HT20, MCS7 | — | -73 | — | |||
| VHT20, MCS0 | — | -90 | — | |||
| VHT20, MCS8 | — | -70 | — | |||
| HE20, MCS0 | — | -90 | — | |||
| HE20, MCS11 | — | -60 | — | |||
ACI - OFDM [Difference between interfering and desired signal (20 MHz apart)] | Adjacent channel rejection | |||||
| 6 Mbps (-79 dBm) | See Note1 | — | 29.5 | — | dB | |
| 54 Mbps (-62 dBm) | — | 13 | — | |||
ACI – MCS0-11 [Difference between interfering and desired signal (20 MHz apart)] | MCS0 (-79 dBm) | See Note1 | — | 26 | — | dB |
| MCS7 (-61 dBm) | — | 8.5 | — | |||
| HE9 (-54 dBm) | — | 0.4 | — | |||
| HE11 (-49 dBm) | — | -5.3 | — | |||
ACI – MCS0-11 [Difference between interfering and desired signal (40 MHz apart)] | MCS0, NSS = 1 (-76 dBm) | See Note1 | — | 29.5 | — | dB |
| MCS7, NSS = 1 (-58 dBm) | — | 9 | — | |||
| MCS9, NSS = 1 (-51 dBm) | — | 4 | — | |||
| MCS11, NSS = 1 (-46 dBm) | — | -3 | — | |||
ACI – MCS0-11 [Difference between interfering and desired signal (80 MHz apart)] | MCS0, NSS = 1 (-73 dBm) | See Note1 | — | 35.5 | — | dB |
| MCS7, NSS = 1 (-55 dBm) | — | 8.5 | — | |||
| MCS9, NSS = 1 (-48 dBm) | — | 4.5 | — | |||
| MCS11, NSS = 1 (-43 dBm) | — | -1.5 | — | |||
WLAN receiver characteristics for 6 GHz single chain operation
| Item | Parameter | Conditions | Typical (Sensitivity) | Unit | |||
|---|---|---|---|---|---|---|---|
| UNII-5 | UNII-6 | UNII-7 | UNII-8 | ||||
| Frequency Range | Receive input frequency range | — | 5950 - 6415 | 6435 - 6515 | 6535 - 6875 | 6895 - 7115 | MHz |
| Modulation Type | OFDM, 6Mbps | See Note1 | -90 | -90 | -89 | -88 | dBm |
| OFDM, 24Mbps | -83 | -82 | -81 | -80 | |||
| HE20, MCS0 | -90 | -90 | -89 | -88 | |||
| HE20, MCS7 | -74 | -73 | -72 | -71 | |||
| HE20, MCS8 | -69 | -69 | -69 | -68 | |||
| HE20, MCS9 | -68 | -68 | -68 | -67 | |||
| HE20, MCS11 | -59 | -59 | -58 | -56 | |||
| ACI - OFDM [Difference between interfering and desired signal (20 MHz apart)] | 6 Mbps (-79 dBm) | See Note1 | 25 | 25 | 25 | 25 | dB |
ACI – MCS0-11 [Difference between interfering and desired signal (20 MHz apart)] | MCS0 (-79 dBm) | See Note1 | 25 | 25 | 25 | 25 | |
| MCS7 (-61 dBm) | 5 | 5 | 5 | 5 | |||
| MCS9 (-54 dBm) | 4 | 3.5 | 5 | 4 | |||
| MCS11 (-49 dBm) | -1.5 | -2.5 | -0.5 | -2 | |||
Note 1: Performance data are measured in single chain operation.
WLAN Transmitter Characteristics
The following tables summarize the Sona IF513 series wireless module transmitter characteristics.
WLAN transmitter characteristics for 2.4 GHz operation (VBAT = 3.3V, VDDIO = 1.8V)
| Symbol | Parameter | Conditions | Min | Typ | Max | Unit |
|---|---|---|---|---|---|---|
| Ftx | Transmit output frequency range | — | 2.402 | — | 2.484 | GHz |
| Pout | Output power | See Note2 | — | — | — | — |
| 11b mask compliant | 1-11Mbps | — | 18 | — | dBm | |
| 11g mask compliant | 6-36Mbps | — | 18 | — | ||
| 11g EVM compliant | 48-54Mbps | — | 17 | — | ||
| 11n HT20 mask compliant | MCS0-4 | — | 18 | — | ||
| 11n HT20 EVM compliant | MCS5-7 | — | 16 | — | ||
| 11ax HE20 mask compliant | MCS0-4 | — | 18 | — | ||
| 11ax HE20 EVM compliant | MCS5-7 | — | 16 | — | ||
| 11ax HE20 EVM compliant | MCS8-9 | — | 14 | — | ||
| 11ax HE20 EVM compliant | MCS10-11 | — | 13 | — | ||
| ATx | Transmit power accuracy at 25 ℃ | — | -2.0 | — | +2.0 | dB |
WLAN current consumption on 2.4 GHz (VBAT = 3.3V, VDDIO = 1.8V, BT_REG_ON = Low)
| Modulation | Data Rate | Bandwidth (MHz) | Spatial Stream | RF Power Level (dBm) | VBAT Current Consumption (mA) | VIO Current Consumption (mA) |
|---|---|---|---|---|---|---|
| CCK | 1 Mbps | 20 | 1 | 20 | 255.8 | 4.6 |
| CCK | 11 Mbps | 20 | 1 | 20 | 264.8 | 2.4 |
| BPSK | 6 Mbps | 20 | 1 | 20 | 244.4 | 2.9 |
| QPSK | MCS2 | 20 | 1 | 20 | 252.6 | 3.5 |
| 16-QAM | MCS4 | 20 | 1 | 20 | 211.8 | 2.8 |
| 64-QAM | MCS7 | 20 | 1 | 18 | 215.7 | 2.4 |
| 256-QAM | MCS9 | 20 | 1 | 16 | 197.7 | 2.1 |
| 1024-QAM | MCS11 | 20 | 1 | 15 | 190.5 | 1.8 |
WLAN transmitter characteristics for 5 GHz operation (VBAT=3.3V, VDDIO=1.8V)
| Symbol | Parameter | Conditions | Min | Typ | Max | Unit |
|---|---|---|---|---|---|---|
| Ftx | Transmit output frequency range | — | 5.15 | — | 5.925 | GHz |
| Pout | Output power | See Note2 | — | — | — | — |
| 11a mask compliant | 6-36Mbps | — | 17 | — | dBm | |
| 11a EVM compliant | 48-54Mbps | — | 16.5 | — | ||
| 11n HT20 mask compliant | MCS0-4 | — | 17 | — | ||
| 11n HT20 EVM compliant | MCS5-7 | — | 16.5 | — | ||
| 11ac VHT20 mask compliant | MCS0-4 | — | 17 | — | ||
| 11ac VHT20 EVM compliant | MCS5-7 | — | 16.5 | — | ||
| 11ac VHT20 EVM compliant | MCS8 | — | 14 | — | ||
| 11ax HE20 mask compliant | MCS0-4 | — | 17 | — | ||
| 11ax HE20 EVM compliant | MCS5-7 | — | 16.5 | — | ||
| 11ax HE20 EVM compliant | MCS8-9 | — | 14 | — | ||
| 11ax HE20 EVM compliant | MCS10-11 | — | 13 | — | ||
| ATx | Transmit power accuracy at 25 ℃ | — | -2.0 | — | +2.0 | dB |
WLAN current consumption on 5 GHz (VBAT = 3.3V, VDDIO = 1.8V, BT_REG_ON = Low)
| Modulation | Data Rate | Bandwidth (MHz) | Spatial Stream | RF Power Level (dBm) | VBAT Current Consumption (mA) | VIO Current Consumption (mA) |
|---|---|---|---|---|---|---|
| BPSK | 6 Mbps | 20 | 1 | 19 | 307.2 | 3.1 |
| QPSK | MCS2 | 20 | 1 | 19 | 310.9 | 3.1 |
| 16-QAM | MCS4 | 20 | 1 | 19 | 315.8 | 3 |
| 64-QAM | MCS7 | 20 | 1 | 18.5 | 297.5 | 2.5 |
| 256-QAM | MCS9 | 20 | 1 | 16 | 274.8 | 2.2 |
| 1024-QAM | MCS11 | 20 | 1 | 15 | 257.7 | 2.1 |
WLAN transmitter characteristics for UNII-5 and UNII-6 operation (VBAT = 3.3V, VDDIO = 1.8V)
| Symbol | Parameter | Conditions | Min | Typ | Max | Unit |
|---|---|---|---|---|---|---|
| Ftx | Transmit output frequency range | — | 5.925 | — | 6.53 | GHz |
| Pout | Output power | See Note2 | — | — | — | — |
| 11a mask compliant | 6-24Mbps | — | 15.5 | — | dBm | |
| 11ax HE20 mask compliant | MCS0-4 | — | 15.5 | — | ||
| 11ax HE20 EVM compliant | MCS5-7 | — | 15 | — | ||
| 11ax HE20 EVM compliant | MCS8-9 | — | 13.5 | — | ||
| 11ax HE20 EVM compliant | MCS10-11 | — | 12 | — | ||
| ATx | Transmit power accuracy at 25 ℃ | — | -2.0 | — | +2.0 | dB |
WLAN current consumption on UNII-5 band (VBAT = 3.3V, VDDIO = 1.8V, BT_REG_ON = Low)
| Modulation | Data Rate | Bandwidth (MHz) | Spatial Stream | RF Power Level (dBm) | VBAT Current Consumption (mA) | VIO Current Consumption (mA) |
|---|---|---|---|---|---|---|
| BPSK | 6 Mbps | 20 | 1 | 17.5 | 332 | 3.1 |
| BPSK | MCS0 | 20 | 1 | 17.5 | 327 | 2.7 |
| QPSK | MCS2 | 20 | 1 | 17.5 | 325.4 | 3 |
| 16-QAM | MCS4 | 20 | 1 | 17.5 | 338.6 | 3 |
| 64-QAM | MCS7 | 20 | 1 | 17 | 317.4 | 2.4 |
| 256-QAM | MCS9 | 20 | 1 | 15.5 | 288.2 | 2.2 |
| 1024-QAM | MCS11 | 20 | 1 | 14 | 264.7 | 2 |
WLAN current consumption on UNII-6 band (VBAT = 3.3V, VDDIO = 1.8V, BT_REG_ON = Low)
| Modulation | Data Rate | Bandwidth (MHz) | Spatial Stream | RF Power Level (dBm) | VBAT Current Consumption (mA) | VIO Current Consumption (mA) |
|---|---|---|---|---|---|---|
| BPSK | 6 Mbps | 20 | 1 | 17.5 | 279.3 | 3.1 |
| BPSK | MCS0 | 20 | 1 | 17.5 | 283.6 | 2.7 |
| QPSK | MCS2 | 20 | 1 | 17.5 | 292.9 | 3 |
| 16-QAM | MCS4 | 20 | 1 | 17.5 | 298.1 | 3 |
| 64-QAM | MCS7 | 20 | 1 | 17 | 282 | 2.4 |
| 256-QAM | MCS9 | 20 | 1 | 15.5 | 266.1 | 2.2 |
| 1024-QAM | MCS11 | 20 | 1 | 14 | 251 | 2 |
WLAN transmitter characteristics for UNII-7 and UNII-8 operation (VBAT = 3.3V, VDDIO = 1.8V)
| Symbol | Parameter | Conditions | Min | Typ | Max | Unit |
|---|---|---|---|---|---|---|
| Ftx | Transmit output frequency range | — | 6.53 | — | 7.125 | GHz |
| Pout | Output power | See Note2 | — | — | — | — |
| 11a mask compliant | 6-24Mbps | — | 15 | — | dBm | |
| 11ax HE20 mask compliant | MCS0-4 | — | 15 | — | ||
| 11ax HE20 EVM compliant | MCS5-7 | — | 13 | — | ||
| 11ax HE20 EVM compliant | MCS8-9 | — | 12 | — | ||
| 11ax HE20 EVM compliant | MCS10-11 | — | 10.5 | — | ||
| ATx | Transmit power accuracy at 25 ℃ | — | -2.0 | — | +2.0 | dB |
WLAN current consumption on UNII-7 band (VBAT = 3.3V, VDDIO = 1.8V, BT_REG_ON = Low)
| Modulation | Data Rate | Bandwidth (MHz) | Spatial Stream | RF Power Level (dBm) | VBAT Current Consumption (mA) | VIO Current Consumption (mA) |
|---|---|---|---|---|---|---|
| BPSK | 6 Mbps | 20 | 1 | 17 | 286.4 | 3.1 |
| BPSK | MCS0 | 20 | 1 | 17 | 289.4 | 2.7 |
| QPSK | MCS2 | 20 | 1 | 17 | 290.1 | 3 |
| 16-QAM | MCS4 | 20 | 1 | 17 | 296.3 | 3 |
| 64-QAM | MCS7 | 20 | 1 | 15 | 265.4 | 2.4 |
| 256-QAM | MCS9 | 20 | 1 | 14 | 252.7 | 2.2 |
| 1024-QAM | MCS11 | 20 | 1 | 12.5 | 238.3 | 2 |
WLAN current consumption on UNII-8 band (VBAT = 3.3V, VDDIO = 1.8V, BT_REG_ON = Low)
| Modulation | Data Rate | Bandwidth (MHz) | Spatial Stream | RF Power Level (dBm) | VBAT Current Consumption (mA) | VIO Current Consumption (mA) |
|---|---|---|---|---|---|---|
| BPSK | 6 Mbps | 20 | 1 | 17 | 310.9 | 3.1 |
| BPSK | MCS0 | 20 | 1 | 17 | 306.1 | 2.7 |
| QPSK | MCS2 | 20 | 1 | 17 | 314.1 | 3 |
| 16-QAM | MCS4 | 20 | 1 | 17 | 318.6 | 3 |
| 64-QAM | MCS7 | 20 | 1 | 15 | 290.5 | 2.4 |
| 256-QAM | MCS9 | 20 | 1 | 14 | 270.4 | 2.2 |
| 1024-QAM | MCS11 | 20 | 1 | 12.5 | 253.5 | 2 |
Leakage Current (WL_REG_ON = BT_REG_ON = Low)
| Power Rail | Board Type | Leakage Current | Unit |
|---|---|---|---|
| VBAT (3.3V) | 1216 module variant | 18.8 | uA |
| M.2 2230 card | 25.8 | ||
| VIO (1.8V) | 1216 module variant | 14.1 | uA |
| M.2 2230 card | 21.1 |
Note 2: Final TX power values on each channel are limited by regulatory requirements.
Bluetooth Transmitter Characteristics
The following tables describe the performance of the Bluetooth transmitter and receiver and the current consumption at 25°C.
BR / EDR transmitter performance (VBAT = 3.3V, VDDIO = 1.8V)
| Test Parameter | Min | Typ | Max | BT Spec. | Unit | |
|---|---|---|---|---|---|---|
| Maximum RF Output Power | GFSK | — | — | 7 | 0 ~ +20 | dBm |
| π/4-DQPSK | — | — | 4 | |||
| 8-DPSK | — | — | 4 | |||
| Frequency Range | 2.4 | — | 2.4835 | 2.4 ≤ f ≤ 2.4835 | GHz | |
| 20 dB Bandwidth | — | 930 | — | ≤ 1000 | KHz | |
| Δf1avg Maximum Modulation | 140 | 154 | 175 | 140 < Δf1avg < 175 | KHz | |
| Δf2max Minimum Modulation | 115 | 147 | — | ≥ 115 | KHz | |
| Δf2avg/Δf1avg | — | 0.95 | — | ≥ 0.80 | — | |
| Initial Carrier Frequency | — | ± 25 | ± 75 | ≤ ± 75 | KHz | |
| Frequency Drift (DH1 packet) | — | ± 8 | ± 25 | ± 25 | KHz | |
| Frequency Drift (DH3 packet) | — | ± 8 | ± 40 | ± 40 | KHz | |
| Frequency Drift (DH5 packet) | — | ± 8 | ± 40 | ± 40 | KHz | |
| Drift rate | — | 5 | 20 | 20 | KHz/50us | |
| EDR ꙍi | — | — | ± 75 | ≤ ± 75 | KHz | |
| EDR ꙍ0 | — | — | ± 10 | ≤ ± 10 | KHz | |
| EDR (ꙍi + ꙍ0) | — | — | ± 75 | ≤ ± 75 | KHz | |
| RMS DEVM for π/4-DQPSK | — | — | ≤ 0.2 | ≤ 0.2 | — | |
| RMS DEVM for 8-DPSK | — | — | ≤ 0.13 | ≤ 0.13 | — | |
| Peak DEVM for π/4-DQPSK | — | — | ≤ 0.35 | ≤ 0.35 | — | |
| Peak DEVM for 8-DPSK | — | — | ≤ 0.25 | ≤ 0.25 | — | |
| 99% DEVM for π/4-DQPSK | — | — | ≤ 0.30 | ≤ 0.30 | — | |
| 99% DEVM for 8-DPSK | — | — | ≤ 0.20 | ≤ 0.20 | — | |
| EDR In-Band Spurious Emission | |M-N| ≥ 2.5 MHz | — | -43 | -40 | < -40 | dBm |
| 1.5 MHz < |M-N| < 2.5 MHz | — | -31 | -20 | ≤ -20 | dBm | |
| 1.0 MHz < |M-N| < 1.5 MHz | — | -38 | -26 | ≤ -26 | dBm | |
Basic Rate receiver performance (VBAT = 3.3V, VDDIO = 1.8V)
| Test Parameter | Min | Typ | Max | Bluetooth Spec. | Unit | |
|---|---|---|---|---|---|---|
| Sensitivity (1DH5) | BER ≤ 0.1% | — | -91 | — | ≤ -70 | dBm |
| Maximum Input | BER ≤ 0.1% | — | — | -20 | ≥ -20 | dBm |
| Interference Performance | Co-Channel | — | 8.5 | 11 | 11 | dB |
| C/I 1 MHz adjacent channel | — | -1.4 | 0 | 0 | dB | |
| C/I 2 MHz adjacent channel | — | -41 | -30 | -30 | dB | |
| C/I ≥ 3 MHz adjacent channel | — | -42.5 | -40 | -40 | dB | |
| C/I image channel | — | -31.5 | -9 | -9 | dB | |
| C/I 1-MHz adjacent to image channel | — | -44.5 | -20 | -20 | dB | |
Enhanced Data Rate receiver performance (VBAT = 3.3V, VDDIO = 1.8V)
| Test Parameter | Min | Typ | Max | Bluetooth Spec. | Unit | |
|---|---|---|---|---|---|---|
| Sensitivity (BER ≤ 0.01%) | π/4-DQPSK | — | -93 | — | ≤ -70 | dBm |
| 8-DPSK | — | -87 | — | ≤ -70 | dBm | |
| Maximum Input (BER ≤ 0.1%) | π/4-DQPSK | — | — | -20 | ≥ -20 | dBm |
| 8-DPSK | — | — | -20 | ≥ -20 | dBm | |
| C/I Co-Channel (BER ≤ 0.1%) | π/4-DQPSK | — | 10.5 | 13 | ≤ ±13 | dB |
| 8-DPSK | — | 18 | 21 | ≤ ±21 | dB | |
| C/I 1 MHz adjacent Channel | π/4-DQPSK | — | -6.5 | 0 | ≤ 0 | dB |
| 8-DPSK | — | -1 | 5 | ≤5 | dB | |
| C/I 2 MHz adjacent Channel | π/4-DQPSK | — | -38.5 | -30 | ≤ -30 | dB |
| 8-DPSK | — | -36.5 | -25 | ≤ -25 | dB | |
| C/I ≥ 3 MHz adjacent Channel | π/4-DQPSK | — | -42.5 | -40 | ≤ -40 | dB |
| 8-DPSK | — | -41.5 | -33 | ≤ -33 | dB | |
| C/I image channel | π/4-DQPSK | — | -30 | -7 | ≤ -7 | dB |
| 8-DPSK | — | -22.5 | 0 | ≤ 0 | dB | |
| C/I 1 MHz adjacent to image channel | π/4-DQPSK | — | -47.5 | -20 | ≤ -20 | dB |
| 8-DPSK | — | -41.5 | -13 | ≤ -13 | dB | |
Out-of-Band Blocking Performance (CW) BER ≤ 0.1% | 30-2000MHz | — | -10 | — | — | dBm |
| 2-2.399GHz | — | -27 | — | — | dBm | |
| 2.484-3GHz | — | -27 | — | — | dBm | |
| 3-12.75GHz | — | -10 | — | — | dBm | |
BLE RF Specifications (VBAT = 3.3V, VDDIO = 1.8V)
| Parameter | Conditions | Min | Typ | Max | Unit | |
|---|---|---|---|---|---|---|
| Frequency range | — | 2402 | — | 2480 | MHz | |
| Rx sensitivity3 | GFSK, PER ≤ 30.8% | 1 Mbps | — | -95 | — | dBm |
| 2 Mbps | — | -92 | — | dBm | ||
| 500 Kbps | — | -102 | — | dBm | ||
| 125 Kbps | — | -107 | — | dBm | ||
| Tx power4 | — | — | — | 7 | dBm | |
| Δf1 average | 1 Mbps | 225 | 255 | 275.5 | KHz | |
| 2 Mbps | 450 | 500 | 550 | KHz | ||
| 125 Kbps | 225 | 255 | 275 | KHz | ||
| Δf2 average | 1 Mbps | 185 | 230 | — | KHz | |
| Δf2 maximum5 | 2 Mbps | 370 | 450 | — | KHz | |
| Δf1 average (Stable Modulation) | 1 Mbps | 247.5 | 250 | 252.5 | KHz | |
| 2 Mbps | 495 | 500 | 550 | KHz | ||
| 125 Kbps | 247.5 | 250 | 252.5 | KHz | ||
| ratio | 1 Mbps | 0.8 | 1.0 | — | % | |
| 2 Mbps | 0.8 | 1.0 | — | % | ||
Bluetooth transmitter current consumption (VBAT = 3.3V, VDDIO = 1.8V, WL_REG_ON = Low)
| Operation Band | Data Rate | RF Power Level (dBm) | VBAT Current Consumption (mA) | VIO Current Consumption (mA) |
|---|---|---|---|---|
| Basic Rate | 1DH5 | 6.8 | 18.8 | 0.4 |
| Enhanced Data Rate | 2DH5 | 3.4 | 18.7 | 0.4 |
| 3DH5 | 3.4 | 18.24 | 0.4 | |
| Low-Energy | 1 Mbps | 6.81 | 19.86 | 0.4 |
| 2 Mbps | 6.6 | 13.21 | 0.4 | |
| 500 Kbps | 6.73 | 17.32 | 0.4 | |
| 125 Kbps | 6.64 | 23.13 | 0.4 |
Leakage Current (BT_REG_ON = WL_REG_ON = Low)
| Power Rail | Board Type | Leakage Current | Unit |
|---|---|---|---|
| VBAT (3.3V) | 1216 module variant | 18.8 | uA |
| M.2 2230 card | 25.8 | ||
| VIO (1.8V) | 1216 module variant | 14.1 | uA |
| M.2 2230 card | 21.1 |
Notes:
[3] Dirty Tx is Off.
[4] The Bluetooth LE TX power cannot exceed 10 dBm EIRP specification limit. The front-end losses and antenna gain/loss must be factored in so as not to exceed the limit.
[5] At least 99.9% of all Δf2 maximum frequency values recorded over 10 packets must be greater than 185 KHz.
Integration Guidelines
Circuit (Overview and Checklist)
The following is a list of RF layout design guidelines and recommendations when installing a Ezurio radio into your device.
- Do not run antenna cables directly above or directly below the radio.
- Do not place any parts or run any high-speed digital lines below the radio.
- Ensure that there is the maximum allowable spacing separating the antenna connectors on the Ezurio radio from the antenna. In addition, do not place antennas directly above or directly below the radio.
- Ezurio recommends the use of a double-shielded cable for the connection between the radio and the antenna elements.
- Be sure to put a 10uF/16V/0603 capacitor on EACH 3.3V power pin. Place the capacitor as close as possible to the pin to ensure correct PMU operation.
- Use proper electro-static-discharge (ESD) procedures when installing the Ezurio radio module. To avoid negatively impacting Tx power and receiver sensitivity, do not cover the antennas with metallic objects or components.
Host Platform Implementation Details
WLAN Interface Selection
Bluetooth Interface Requirements
The CYW55513 Bluetooth CPU core requires the UART_CTS input to be held low at the point in time the BT_REG_ON (W_DISABLE2#) signal goes high to enable secure firmware download. In addition, the HCI interface uses the standard H4 protocol which requires four-wire hardware handshaking.
This requires that the host implement GPIO control over BT_REG_ON/W_DISABLE2# and implement full RTS/CTS handshaking.
Low Power Clock
The Sona IF513 requires a 32KHz clock on the SUSCLK input. This clock drives various internal state machines and must be provided by the host even if low power operation is not needed.
W_DISABLE1#, W_DISABLE2# and SDIO_DATA_2
The Sona IF513 leaves the WL_REG_ON and BT_REG_ON (W_DISABLE1#/W_DISABLE2#) signals pulled low on both the M.2 2230 card and the M.2 1216 solder down module. The WL_REG_ON and BT_REG_ON (W_DISABLE#/W_DISABLE2#) signals MUST be controlled by host platform GPIO under software control.
The SDIO_DATA2 line must be high when the first of either WL_REG_ON or BT_REG_ON signals transitions from low to high. This would be a problem, for example, if a pull-up were used on either the W_DISABLE1# or W_DISABLE2# line and the SDIO_DATA2 line was pulled low, even briefly, by the processor during startup.
Surface Mount Conditions
The following soldering conditions are recommended to ensure device quality.
Recommended Stencil Aperture

Sona IF513 M.2 1216 stencil aperture
Note: The stencil thickness is 0.12mm.
Application Note for Surface Mount Modules
Introduction
Ezurio’s surface mount modules are designed to conform to all major manufacturing guidelines. This application note is intended to provide additional guidance beyond the information that is presented in the user manual. This application note is considered a living document and will be updated as new information is presented.
The modules are designed to meet the needs of several commercial and industrial applications. They are easy to manufacture and conform to current automated manufacturing processes.
Shipping and Labeling
M.2 1216 Solder-Down

Sona IF513 Reel specifications, 161-00459

Sona IF513 Tape specifications, 161-00016
There are 1,000 Sona IF513 modules taped in a reel (and packaged in a pizza box) and two boxes per carton (2,000 modules per carton). Reel, boxes, and carton are labeled with the appropriate labels. See the following figure for more information.

Sona IF513 packaging processes, 453-00184R
The following labels are located on the antistatic bag.

Sona IF513 Moisture Sensitivity Level Label, 160-02008
The following label is placed on the reel, bag and pizza box.

Sona IF513 Reel, Bag, and Box Product Identifier Label, 160-00040
The following package label is located on adjacent sides of the master carton.

Sona IF513 Carton Product Identifier Label, 160-00041
M.2 2230 Key-E Card

Sona IF513 M.2 2230 Shipping Tray, Bottom, 161-00355

Sona IF513 M.2 2230 Shipping Tray, Top, 161-00356

Sona IF513 M.2 2230 Packaging Process, 453-00186-PKG
The following label is placed on the bag and the inner box.

Sona IF513 M.2 2230 Bag and Box Product Identifier Label, 160-00050
The following label is located on the adjacent sides of the master carton.

Sona IF513 Carton Product Identifier Label, 160-000041
Baking Conditions
Baking conditions and processes for the module follow the J-STD-033 standard which includes the following:
- The calculated shelf life in a sealed bag is 12 months at <40℃ and <80% relative humidity.
- Once the packaging is opened, the SiP must be mounted (per MSL4/Moisture Sensitivity Level 4) within 72 hours at <30˚C and <60% relative humidity.
If the SiP is not mounted within 72 hours or if, when the dry pack is opened, the humidity indicator card displays >10% humidity, then the product must be baked for 48 hours at 125 ˚C (±5 ˚C).
Reflow Profile
Note: When soldering, the stencil thickness should be 0.12 mm.
Convection reflow or IR/Convection reflow (one-time soldering or two-time soldering in air or nitrogen environment)
Measuring point – IC package surface
Temperature profile:

- Solder paste alloy: SAC305(Sn96.5 / Ag3.0 / Cu 0.5)
- Pre-heat temperature: 150℃ ~ 200℃; Soak time: 60 second ~ 120 second
- Peak temperature: 235℃ ~ 250℃
- Time above 220℃: 40 second ~ 90 second
- Optimal cooling rate < 3℃/second
- The oxygen concentration < 2000 ppm
Cautions when Removing the M.2 1216 from the Platform for RMA
- Bake the platform before removing the Sona IF513 module from the platform.
- Remove the Sona IF513 module by using a hot air gun. This process should be carried out by a skilled technician.
Recommended conditions:
One-side component platform:
- Set the hot plate at 280°C.
- Put the platform on the hot plate for 8~10 seconds.
Remove the device from platform.

Two-side components platform:
- Use two hot air guns.
- On the bottom, use a pre-heated nozzle (temp setting of 200~250°C) at a suitable distance from the platform PCB.
On the top, apply a remove nozzle (temp setting of 330°C). Heat until device can be removed from platform PCB.

- Remove the residue solder under the bottom side of device. (Note: Alternate module pictured as an example)
![]() | ![]() |
| (Not accepted for RMA) | (Accepted for RMA analysis) |
| Example M.2 1216 with residue solder on the bottom | Sona IF513 module without residue solder |
Remove and clean the residue flux as needed.
Precautions for Use
- Opening/handling/removing must be done on an anti-ESD treated workbench. All workers must also have undergone anti-ESD treatment.
- The devices should be mounted within one year of the date of delivery.
- The Sona IF513 modules are MSL level 4 rated.
Environmental and Reliability
Environmental Requirements
Required Storage Conditions
Prior to Opening the Dry Packing
The following are required storage conditions prior to opening the dry packing:
- Normal temperature: 5~40˚C
- Normal humidity: 80% (Relative humidity) or less
- Storage period: One year or less
Note: Humidity means relative humidity.
After Opening the Dry Packing
The following are required storage conditions after opening the dry packing (to prevent moisture absorption):
Storage conditions for one-time soldering:
- Temperature: 5-25°C
- Humidity: 60% or less
- Period: 72 hours or less after opening
Storage conditions for two-time soldering
Storage conditions following opening and prior to performing the 1st reflow:
- Temperature: 5-25°C
- Humidity: 60% or less
- Period: A hours or less after opening
Storage conditions following completion of the 1st reflow and prior to performing the 2nd reflow
- Temperature: 5-25°C
- Humidity: 60% or less
- Period: B hours or less after completion of the 1st reflow
Note: Should keep A+B within 72 hours.
Temporary Storage Requirements after Opening
The following are temporary storage requirements after opening:
- Only re-store the devices once prior to soldering.
- Use a dry box or place desiccant (with a blue humidity indicator) with the devices and perform dry packing again using vacuumed heat-sealing.
The following indicate the required storage period, temperature, and humidity for this temporary storage:
Storage temperature and humidity:

*** - External atmosphere temperature and humidity of the dry packing
Storage period:
- X1+X2 – Refer to Required Storage Conditions. Keep is X1+X2 within 72 hours.
- Y – Keep within two weeks or less.
Reliability Tests
The Sona IF513 modules were tested for reliability. Test items and the corresponding standards are shown below.
Environmental and Mechanical
The following are the followed reliability test procedures.
Sona IF513 M.2 1216 Solder-down Module Reliability Test Items and Standards
| Test Item | Specification | Standard | Test Result |
|---|---|---|---|
| Step 1: Pre-conditioning | Pre-check:
Pre-conditioning:
Post-check:
| JESD22-A113 | Pass |
| Step 2: Temperature Cycling Non-operating |
| JESD22-A113 | Pass |
| Vibration Non-operating Unpackaged device |
| JEDEC 22-B103B (2016) | Pass |
Mechanical Shock Non-operating |
| JEDEC 22-B110B.01 (2019) | Pass |
Sona IF513 M.2 2230 E-Key Module Reliability Test Item and Standards
| Test Item | Specification | Standard | Test Result |
|---|---|---|---|
| Thermal Shock |
| *JESD22-A106 *IEC 60068-2-14 for dwell time and number of cycles | Pass |
| Vibration Non-operating Unpackaged device |
| JEDEC 22-B103B (2016) | Pass |
| Mechanical Shock Non-operating Unpackaged device |
| JEDEC 22-B110B.01 (2019) | Pass |
Climatic and Dynamic
Reliability Prediction
| Test Item | Specification | Standard |
|---|---|---|
| Mean Time Between Failure (MTBF) |
Ground Fixed Ground Mobile
Ground Fixed Ground Mobile | Telcordia SR-332 Issue 4 (2016) |
| Ezurio Part Number | Environment | Test Result 45 ℃ (Hours) |
|---|---|---|
| 453-00184R 453-00184C 453-00185R 453-00185C 453-00193R 453-00193C 453-00194R 453-00194C | Ground, Fixed, Uncontrolled Ground, Mobile | 1,221,4794.22 9,280,713.28 |
| Ezurio Part Number | Environment | Test Result 85 ℃ (Hours) |
|---|---|---|
| 453-00184R 453-00184C 453-00185R 453-00185C 453-00193R 453-00193C 453-00194R 453-00194C | Ground, Fixed, Uncontrolled Ground, Mobile | 2,944,966.86 2,244,523.16 |
| Ezurio Part Number | Environment | Test Result 45 ℃ (Hours) |
|---|---|---|
| 453-00186 453-00195 | Ground, Fixed, Uncontrolled Ground, Mobile | 3,880,182.6 2,921,415.1 |
| Ezurio Part Number | Environment | Test Result 85 ℃ (Hours) |
|---|---|---|
| 453-00186 453-00195 | Ground, Fixed, Uncontrolled Ground, Mobile | 787,914.3 593,306.2 |
Regulatory, Qualification & Certifications
Regulatory Approvals
For complete regulatory information, refer to the Sona IF513 Regulatory Information document which is also available from the Sona IF513 product page.
The Sona IF513 holds current certifications in the following countries:
| Country/Region | Regulatory ID |
|---|---|
| USA (FCC) | SQG-SONAIF513 |
| EU | N/A |
| UKCA | N/A |
| Canada (ISED) | 3147A-SONAIF513 |
| Japan (MIC) | 201-240308 |
Certified Antennas
The Sona IF513 module was tested with antennas listed in the following table. The OEM can choose a different manufacturer’s antenna but must make sure it is of same type and that the gain is lesser than or equal to the antenna that is approved for use.
| Manufacturer | Model | Ezurio Part Number | Type | Connector | Peak Gain @ 2.4 GHz (dBi) | Peak Gain @ 5 GHz (dBi) | Peak Gain @ 6 GHz (dBi) |
|---|---|---|---|---|---|---|---|
| Ezurio (formerly Laird Connectivity) | FlexMIMO 6E | EFD2471A3S-10MH4L | PIFA | MHF4L | 2.2 | 3.8 | 3.3 |
| Ezurio (formerly Laird Connectivity) | FlexPIFA 6E | EFB2471A3S-10MH4L | PIFA | MHF4L | 2.2 | 3.9 | 3.8 |
| Ezurio (formerly Laird Connectivity) | Mini NanoBlade Flex 6 GHz | EMF2471A3S-10MH4L | PCB Dipole | MHF4L | 2.4 | 4.4 | 5.2 |
| Joymax Electronics | Dipole 6E | TWX-100BRSAX-2001 / TWX-100BRS3B | Dipole | RP-SMA | 2 | 4.0 | 4.0 |
Bluetooth SIG Qualification
The Bluetooth Qualification Process promotes global product interoperability and reinforces the strength of the Bluetooth® brand and ecosystem to the benefit of all Bluetooth SIG members. The Bluetooth Qualification Process helps member companies ensure their products that incorporate Bluetooth technology comply with the Bluetooth Patent & Copyright License Agreement and the Bluetooth Trademark License Agreement (collectively, the Bluetooth License Agreement) and Bluetooth Specifications.
The Bluetooth Qualification Process is defined by the Qualification Program Reference Document (QPRD) v3.
To demonstrate that a product complies with the Bluetooth Specification(s), each member must for each of its products:
- Identify the product, the design included in the product, the Bluetooth Specifications that the design implements, and the features of each implemented specification
- Complete the Bluetooth Qualification Process by submitting the required documentation for the product under a user account belonging to your company
The Bluetooth Qualification Process consists of the phases shown below:

To complete the Qualification Process the company developing a Bluetooth End Product shall be a member of the Bluetooth SIG. To start the application please use the following link: Apply for Adopter Membership
Scope
This guide is intended to provide guidance on the Bluetooth Qualification Process for End Products that reference multiple existing designs, that have not been modified, (refer to Section 3.2.2.1 of the Qualification Program Reference Document v3).
For a Product that includes a new Design created by combining two or more unmodified designs that have DNs or QDIDs into one of the permitted combinations in Table 3.1 of the QPRDv3, a Member must also provide the following information:
- DNs or QDIDs for Designs included in the new Design
- The desired Core Configuration of the new Design (if applicable, see Table 3.1 below)
- The active TCRL Package version used for checking the applicable Core Configuration (including transport compatibility) and evaluating test requirements
Any included Design must not implement any Layers using withdrawn specification(s).
When creating a new Design using Option 2a, the Inter-Layer Dependency (ILD) between Layers included in the Design will be checked based on the latest TCRL Package version used among the included Designs.
For the purposes of this document, it is assumed that the member is combining unmodified Core-Controller Configuration and Core-Host Configuration designs, to complete a Core-Complete Configuration.
Qualification Steps When Referencing multiple existing designs, (unmodified) – Option 2a in the QPRDv3
For this qualification option, follow these steps:
- To start a listing, go to: https://qualification.bluetooth.com/
- Select Start the Bluetooth Qualification Process.
Product Details to be entered:
- Project Name (this can be the product name or the Bluetooth Design name).
- Product Description
- Model Number
- Product Publication Date (the product publication date may not be later than 90 days after submission)
- Product Website (optional)
- Internal Visibility (this will define if the product will be visible to other users prior to publication)
- If you have multiple End Products to list then you can select ‘Import Multiple Products’, firstly downloading and completing the template, then by ‘Upload Product List’. This will populate Qualification Workspace with all your products.
Specify the Design:
- Do you include any existing Design(s) in your Product? Answer Yes, I do.
- Enter the multiple DNs or QDIDs used in your, (for Option 2a two or more DNs or QDIDs must be referenced)
- Select ‘I’m finished entering DN’s
- Once the DNs or QDIDs are selected they will appear on the left-hand side, indicating the layers covered by the design (should show Core-Controller and Core Host Layers covered).
- What do you want to do next? Answer, ‘Combine unmodified Designs’.
- The Qualification Workspace Tool will indicate that a new Design will be created and what type of Core-Complete configuration is selected.
- An active TCRL will be selected for the design.
- Perform the Consistency Check, which should result in no inconsistencies
- If there are any inconsistencies these will need to be resolved before proceeding
- Save and go to Test Plan and Documentation
Test Plan and Documentation
- As no modifications have been made to the combined designs the tool should report the following message:
‘No test plan has been generated for your new Design. Test declarations and test reports do not need to be submitted. You can continue to the next step.’ - Save and go to Product Qualification fee
- As no modifications have been made to the combined designs the tool should report the following message:
Product Qualification Fee:
- It’s important to make sure a Prepaid Product Qualification fee is available as it is required at this stage to complete the Qualification Process.
- Prepaid Product Qualification Fee’s will appear in the available list so select one for the listing.
- If one is not available select ‘Pay Product Qualification Fee’, payment can be done immediately via credit card, or you can pay via Invoice. Payment via credit will release the number immediately, if paying via invoice the number will not be released until the invoice is paid.
- Once you have selected the Prepaid Qualification Fee, select ‘Save and go to Submission’
Submission:
- Some automatic checks occur to ensure all submission requirements are complete.
- To complete the listing any errors must be corrected
- Once you have confirmed all design information is correct, tick all of the three check boxes and add your name to the signature page.
- Now select ‘Complete the Submission’.
- You will be asked a final time to confirm you want to proceed with the submission, select ‘Complete the Submission’.
- Qualification Workspace will confirm the submission has been submitted. The Bluetooth SIG will email confirmation once the submission has been accepted, (normally this takes 1 working day).
Download Product and Design Details (SDoC):
- You can now download a copy of the confirmed listing from the design listing page and save a copy in your Compliance Folder
For further information, please refer to the following webpage:
https://www.bluetooth.com/develop-with-bluetooth/qualification-listing/
Example Design Combinations
The following gives an example of a design possible under option 2a:
Ezurio Controller Subsystem + BlueZ 5.50 Host Stack (Ezurio Sona IF513 based design)
| Design Name | Owner | Declaration ID | QD ID | Link to listing on the SIG website |
| Sona IF513 | Ezurio | D067612 | 241038 | https://qualification.bluetooth.com/ListingDetails/220309 |
| BlueZ 5.50 Host Stack | Ezurio | D046330 | 138224 | https://qualification.bluetooth.com/ListingDetails/93911 |
Qualify More Products
If you develop further products based on the same design in the future, it is possible to add them free of charge. The new product must not modify the existing design i.e add ICS functionality, otherwise a new design listing will be required.
To add more products to your design, select ‘Manage Submitted Products’ in the Getting Started page, Actions, Qualify More Products. The tool will take you through the updating process.
Ordering Information
| Part Number | Description |
|---|---|
| 453-00184R | Module, Sona IF513, MHF4L, Tape and Reel |
| 453-00184C | Module, Sona IF513, MHF4L, Cut Tape |
| 453-00185R | Module, Sona IF513, Trace Pin, Tape and Reel |
| 453-00185C | Module, Sona IF513, Trace Pin, Cut Tape |
| 453-00186 | Module, Sona IF513, M.2, Key E, SDIO, UART |
| 453-00186-K1 | Development Kit, Module, Sona IF513, M.2, Key E, SDIO, UART |
| 453-00193R | Module, Sona IF513, Antenna Diversity, MHF4L, Tape and Reel |
| 453-00193C | Module, Sona IF513, Antenna Diversity, MHF4L, Cut Tape |
| 453-00194R | Module, Sona IF513, Antenna Diversity, Trace Pin, Tape and Reel |
| 453-00194C | Module, Sona IF513, Antenna Diversity, Trace Pin, Cut Tape |
| 453-00195 | Module, Sona IF513, Antenna Diversity, M.2, Key E, SDIO, UART |
| 453-00195-K1 | Development Kit, Module, Sona IF513, Antenna Diversity, M.2, Key E, SDIO, UART |
Revision History (Legacy)
| Version | Date | Notes | Contributors | Approver |
|---|---|---|---|---|
| 0.1 | 27 May 2024 | Preliminary release | Jacky Kuo | Andy Ross |
| 0.2 | 8 Aug 2024 | Updated Specifications. Updated Reliability Test. | Jacky Kuo Connie Lin | Andy Ross |
| 0.3 | 15 Oct 2024 | Updates to Bluetooth Qualification process. Updated Control Signal Timing Diagram. | Dave Drogowski Jacky Kuo | Jonathan Kaye |
| 1.0 | 17 Dec 2024 | Updated to Ezurio formatting. Initial release. | Sue White Dave Drogowski | Andy Ross |
| 1.1 | 13 Mar 2025 | Updates to Table 37 and Table 38. | Erik Strack Jacky Kuo | Dave Drogowski |
| 1.2 | 26 Mar 2025 | Updates to W_DISABLE1#, W_DISABLE2# and SDIO_DATA_2 | Erik Strack | Dean Ramsier |
| 1.3 | 16 May 2025 | Update for Bluetooth Core 6.0 | Dave Drogowski | Andy Ross |
| 1.4 | 14 Aug 2025 | Updated for supported authentication and encryption types. | Erik Strack | Andy Ross |
| 1.5 | 11 Sep 2025 | Corrected pins 42, 43, and 44 in Table 37: M.2 1216 pin definitions. | Jacky Kuo | Dave Drogowski |
/filters:background_color(white)/2024-03/Sona%20IF513.png)



