Introduction
Overview
This document describes key hardware aspects of the Ezurio Sona™ IF573 series wireless modules providing either PCIe v3.0 Gen2 or SDIO 3.0 interface for WLAN connection and high-speed 4-wire UART interface for Bluetooth® connection. This document is intended to assist device manufacturers and related parties with the integration of this radio into their host devices. Data in this document is drawn from several sources and includes information found in the Infineon CYW55573MIWBGT data sheet issued on March 23, 2023, along with other documents provided by Infineon.
For full documentation on the Sona IF573, visit:
https://www.ezurio.com/sona-if573
General Description
The Sona IF573 series wireless module is an integrated, small form factor Wi-Fi/Bluetooth module that is optimized for low-power mobile devices, featuring:
- Wi-Fi 6E: Tri-band 2x2 MIMO IEEE 802.11a/b/g/n/ac/ax WLAN
- Bluetooth® Dual Mode
The integration of all WLAN and Bluetooth functionality in a single package supports low cost and simple implementation along with flexibility for platform-specific customization. It is available in both M.2 2230 E-Key and M.2 1318 solder-down form factor.
This device is pre-calibrated and integrates the complete transmit/receive RF paths including bandpass filter, diplexer, switches, reference crystal oscillator, and power management units (PMU). Both variants support three integrated MHF4 connectors, with two ports for WLAN and one dedicated for Bluetooth. The M.2 1318 solder down module also supports an RF trace pin option for use with external antenna solutions. For a list of certified antennas see Certified Antennas in the datasheet.
The Sona IF573 series device supports IEEE 802.11ax tri-band (2.4/5/6 GHz) 2x2 MIMO with data rates up to MCS11 (287 Mbps PHY data rate for 2.4 GHz band and 1.2 Gbps PHY data rate for 5/6 GHz). The device has a dedicated Bluetooth port for best Wi-Fi + Bluetooth coexistence performance. The device’s low power consumption, radio architecture and power management unit (PMU) proprietary power save technologies allow for extended battery life.
In addition, its tri-band IEEE 802.11ax and Bluetooth radio includes full digital MAC and baseband engines that handle all 802.11 CCK/OFDM/OFDMA® 2.4/5/6 GHz and Bluetooth Core 6.0 (Basic Rate, Enhanced Data Rate, and Bluetooth Low Energy) baseband and protocol processing.
The Sona IF573 series wireless modules include two product SKUs which have different RF paths. Please contact Ezurio Sales/FAE for further information
This datasheet is subject to change. Please contact Ezurio for further information.
Application Areas
- Medical Devices (Infusion pumps, HD Imaging, Vitals Monitoring, Gateways, Beds, Blood Analyzers)
- Industrial IoT
- Rugged Handheld Devices
Features & Benefits
The Sona IF573 device features and benefits are described in the following table.
| Feature | Description | ||||||||||||||||||||||||||
|---|---|---|---|---|---|---|---|---|---|---|---|---|---|---|---|---|---|---|---|---|---|---|---|---|---|---|---|
| Radio Front End |
| ||||||||||||||||||||||||||
| Power Management | Two buck regulator, multiple LDO regulators, and a power management unit (PMU) are integrated into the CYW55573MIWBGT. All regulators are programmable via the PMU. These blocks simplify power supply design for Bluetooth and WLAN functions in embedded designs. | ||||||||||||||||||||||||||
| Pre-Calibration | RF system tested and calibrated in production | ||||||||||||||||||||||||||
| Sleep Clock | An external sleep clock of 32.768 kHz is required. The external 32.768 kHz precision oscillator which meets the requirements listed following table must be used.
| ||||||||||||||||||||||||||
| Host Interface | The Sona IF573 M.2 card provides two interfaces for customers to choose:
| ||||||||||||||||||||||||||
| Advanced WLAN |
| ||||||||||||||||||||||||||
| Advanced Bluetooth |
|
Specification Summary
Processor / SoC / Chipset
| Wireless | Infineon AIROC™ CYW55573MIWBGT |
Wi-Fi
| Standards | IEEE 802.11ax, 11ac, 11a/b/g/n, 11d/h, 11i, 11r, 11w, 11e, 11k, 11ai, 11v |
| Interface |
|
| Spatial Streams | 2 (2x2 MU-MIMO) [802.11ax/ac/n) |
| Supported Data Rates | Support 802.11 ax/ac/a/b/g/n 2x2 MU-MIMO.
|
| Modulation Schemes | BPSK, QPSK, CCK, 16-QAM, 64-QAM, 256-QAM, 1024-QAM ![]() ![]() |
| Network Architecture Type | Infrastructure (client operation) |
| Wi-Fi Media |
|
| Wi-Fi Multimedia |
|
Bluetooth
| Standards | Bluetooth 2.1 + EDR, 3.0, 4.2, 5.0, 5.1, 5.2, 5.3, 5.4, Core 6.0 |
| Interface | Host Controller Interface (HCI) using high speed UART |
| Bluetooth Classic Data Rates | 1, 2, 3 Mbps |
| Bluetooth LE Data Rates | 1, 2 Mbps, 500 Kbps (S=2), 125 Kbps (S=8) |
| Classic Bluetooth Modulation |
|
| Bluetooth LE Modulation |
|
| Bluetooth Media | Frequency Hopping Spread Spectrum (FHSS) |
Radio Performance
Tx Power Note: Transmit power on each channel varies per individual country regulations. All values are nominal with +/-2 dBm tolerance at room temperature. Tolerance could be up to +/-2.5 dBm across operating temperature.
Note: 20 MHz-wide channels HT40/VHT40/HE40 – 40 MHz-wide channels 80 MHz-wide channels |
| ||||||||||||||||||||||||||||||||||||||||||||||||||||||
| Typical RX Sensitivity |
| ||||||||||||||||||||||||||||||||||||||||||||||||||||||
| Antenna Options | |||||||||||||||||||||||||||||||||||||||||||||||||||||||
| 2.4 GHz Frequency Bands |
| ||||||||||||||||||||||||||||||||||||||||||||||||||||||
| 5 GHz Frequency Bands | EU
UKCA
FCC
MIC
ISED
RCM
| ||||||||||||||||||||||||||||||||||||||||||||||||||||||
| 6 GHz Frequency Bands | FCC / ISED
EU
UKCA
MIC
RCM
| ||||||||||||||||||||||||||||||||||||||||||||||||||||||
Interfaces
| Physical Interfaces |
|
| Network Interfaces |
|
Power
| Input Voltage | Typical DC 3.3 V, operating range from DC 3.13V to 3.5V |
| I/O Signal Voltage | Compliant with M.2 standard Typical DC 1.8 V ± 5% |
Mechanical
| Dimensions | M.2 1318
M.2 E-Key
|
| Weight | M.2 1318
M.2 E-Key
|
Software
| OS Support | Linux Android |
| Security |
|
Environmental
| Operating Temperature | -40° to +85°C (-40° to +185°F) Note: Absolute junction temperature 125 °C limit is maintained through active thermal monitoring, throttling, and turning off one of the TX chains or both. |
| Storage Temperature | -40° to +85°C (-40° to +185°F) |
| Operating Humidity | 10 to 90% (non-condensing) |
| Storage Humidity | 10 to 90% (non-condensing) |
| MSL (Moisture Sensitivity Level) | 4 |
| Maximum Electrostatic Discharge | Conductive 8KV; Air coupled 12KV (follows EN61000-4-2) |
| Lead Free | Lead-free and RoHS Compliant |
Certifications
| Regulatory Compliance |
|
| Compliance Standards | EU
FCC
ISED Canada
AS/NZS
MIC
|
| Bluetooth SIG | Bluetooth® SIG Qualification
|
Development
| Development Kit | 453-00119-K1 Development Kit - Development Kit, Sona IF573, MIMO, M.2, Key E, SDIO, UART 453-00120-K1 Development Kit - Development Kit, Sona IF573, MIMO, M.2, Key E, PCIe, UART 453-00376 Development Kit - Development Kit, Wi-Fi M.2 2230 to STM32 Nucleo-144 adapter board |
Warranty
| Warranty Terms | One Year Warranty |
Functional Descriptions
WLAN Functional Description
The Sona IF573 series wireless module is designed based on the Infineon AIROC CYW55573MIWBGT Wi-Fi 6E chipset (dual-core 2x2 MIMO). It is optimized for high speed, reliability, and low-power embedded applications. It is integrated with tri-band WLAN (2.4/5/6 GHz) and Bluetooth Core 6.0. Its functionality is listed below.
| Feature | Description | ||||||||||||||||||||||||||||||||||||||||||||||||||||||||||||||||||||||||||||||||||||||||||||||||||||||||||||||||||||||||||||||||||||||||||||||||||||||||||||||||||||||||||||||||||||||||||||||||||||||||||||||||||||||||||||||||||||||||||||||||||||||||||||||||||||||||||||||||||||||||||||||||||||||||||||||||||||||||||||||||||||||||||||||||||||||||||||||||||||||||||||||||||||||||||||||||||||||||||||||||||||||||||||||||||||||||||||||||||||||||||||||||||||||||||||||||||||||||||||||||||||||||||||||||||||||||||||||||||||||||||||||||||||||||||||||||||||||||||||||||||||||||||||||||||||||||||||||||||||||||||||||||||||||||||||||||||||||||||||||||||
|---|---|---|---|---|---|---|---|---|---|---|---|---|---|---|---|---|---|---|---|---|---|---|---|---|---|---|---|---|---|---|---|---|---|---|---|---|---|---|---|---|---|---|---|---|---|---|---|---|---|---|---|---|---|---|---|---|---|---|---|---|---|---|---|---|---|---|---|---|---|---|---|---|---|---|---|---|---|---|---|---|---|---|---|---|---|---|---|---|---|---|---|---|---|---|---|---|---|---|---|---|---|---|---|---|---|---|---|---|---|---|---|---|---|---|---|---|---|---|---|---|---|---|---|---|---|---|---|---|---|---|---|---|---|---|---|---|---|---|---|---|---|---|---|---|---|---|---|---|---|---|---|---|---|---|---|---|---|---|---|---|---|---|---|---|---|---|---|---|---|---|---|---|---|---|---|---|---|---|---|---|---|---|---|---|---|---|---|---|---|---|---|---|---|---|---|---|---|---|---|---|---|---|---|---|---|---|---|---|---|---|---|---|---|---|---|---|---|---|---|---|---|---|---|---|---|---|---|---|---|---|---|---|---|---|---|---|---|---|---|---|---|---|---|---|---|---|---|---|---|---|---|---|---|---|---|---|---|---|---|---|---|---|---|---|---|---|---|---|---|---|---|---|---|---|---|---|---|---|---|---|---|---|---|---|---|---|---|---|---|---|---|---|---|---|---|---|---|---|---|---|---|---|---|---|---|---|---|---|---|---|---|---|---|---|---|---|---|---|---|---|---|---|---|---|---|---|---|---|---|---|---|---|---|---|---|---|---|---|---|---|---|---|---|---|---|---|---|---|---|---|---|---|---|---|---|---|---|---|---|---|---|---|---|---|---|---|---|---|---|---|---|---|---|---|---|---|---|---|---|---|---|---|---|---|---|---|---|---|---|---|---|---|---|---|---|---|---|---|---|---|---|---|---|---|---|---|---|---|---|---|---|---|---|---|---|---|---|---|---|---|---|---|---|---|---|---|---|---|---|---|---|---|---|---|---|---|---|---|---|---|---|---|---|---|---|---|---|---|---|---|---|---|---|---|---|---|---|---|---|---|---|---|---|---|---|---|---|---|---|---|---|---|---|---|---|---|---|---|---|---|---|---|---|---|---|---|---|---|---|---|---|---|---|---|---|---|---|---|---|---|---|---|---|---|---|---|---|---|---|---|---|---|---|---|---|---|---|---|---|---|---|---|---|---|---|---|---|---|---|---|---|---|---|---|---|---|---|---|---|---|---|---|---|---|---|---|---|---|---|---|---|---|---|---|---|---|---|---|---|---|---|---|---|---|---|---|---|---|---|---|---|---|---|---|---|---|---|---|---|---|---|---|---|---|---|---|---|---|---|---|---|---|---|---|---|---|---|---|---|---|---|---|---|---|---|---|---|---|---|---|---|---|---|---|---|---|---|---|---|---|---|---|---|---|---|---|---|---|---|---|---|---|---|---|---|---|---|---|---|---|---|---|---|
| WLAN MAC |
| ||||||||||||||||||||||||||||||||||||||||||||||||||||||||||||||||||||||||||||||||||||||||||||||||||||||||||||||||||||||||||||||||||||||||||||||||||||||||||||||||||||||||||||||||||||||||||||||||||||||||||||||||||||||||||||||||||||||||||||||||||||||||||||||||||||||||||||||||||||||||||||||||||||||||||||||||||||||||||||||||||||||||||||||||||||||||||||||||||||||||||||||||||||||||||||||||||||||||||||||||||||||||||||||||||||||||||||||||||||||||||||||||||||||||||||||||||||||||||||||||||||||||||||||||||||||||||||||||||||||||||||||||||||||||||||||||||||||||||||||||||||||||||||||||||||||||||||||||||||||||||||||||||||||||||||||||||||||||||||||||||
| WLAN Security |
| ||||||||||||||||||||||||||||||||||||||||||||||||||||||||||||||||||||||||||||||||||||||||||||||||||||||||||||||||||||||||||||||||||||||||||||||||||||||||||||||||||||||||||||||||||||||||||||||||||||||||||||||||||||||||||||||||||||||||||||||||||||||||||||||||||||||||||||||||||||||||||||||||||||||||||||||||||||||||||||||||||||||||||||||||||||||||||||||||||||||||||||||||||||||||||||||||||||||||||||||||||||||||||||||||||||||||||||||||||||||||||||||||||||||||||||||||||||||||||||||||||||||||||||||||||||||||||||||||||||||||||||||||||||||||||||||||||||||||||||||||||||||||||||||||||||||||||||||||||||||||||||||||||||||||||||||||||||||||||||||||||
| WLAN Channel | Channel frequency supported.
| ||||||||||||||||||||||||||||||||||||||||||||||||||||||||||||||||||||||||||||||||||||||||||||||||||||||||||||||||||||||||||||||||||||||||||||||||||||||||||||||||||||||||||||||||||||||||||||||||||||||||||||||||||||||||||||||||||||||||||||||||||||||||||||||||||||||||||||||||||||||||||||||||||||||||||||||||||||||||||||||||||||||||||||||||||||||||||||||||||||||||||||||||||||||||||||||||||||||||||||||||||||||||||||||||||||||||||||||||||||||||||||||||||||||||||||||||||||||||||||||||||||||||||||||||||||||||||||||||||||||||||||||||||||||||||||||||||||||||||||||||||||||||||||||||||||||||||||||||||||||||||||||||||||||||||||||||||||||||||||||||||
Bluetooth Functional Description
The Sona IF573 series wireless module includes a fully integrated Bluetooth baseband/radio. Several features and functions are listed below.
| Feature | Description |
|---|---|
| Bluetooth Interface |
|
| Bluetooth Core functionality |
|
| Bluetooth Features |
|
Power-Up Sequence and Timing
Sona IF573 has two signals that allow the host to control power consumption by enabling or disabling the Bluetooth, WLAN, and internal regulator block.
Boot Mode


Description of Control Signals
- WL_REG_ON: Used to power up the WLAN. When this pin is high, the internal regulators are enabled and the WLAN section is out of reset. When this pin is low the WLAN section is in reset. This signal is connected to the W_DISABLE1# pin on the M.2 interface.
- BT_REG_ON: Used to power up the Bluetooth section. If both the BT_REG_ON and WL_REG_ON pins are low, the regulators are disabled. When this pin is low and WL_REG_ON is high, the Bluetooth section is in reset. This signal is connected to the W_DISABLE2# pin on the M.2 interface.
- M.2 1318 - VBAT and VDDIO should not rise 10% - 90% faster than 40 microseconds.
- M.2 1318 - VBAT should be up before or at the same time as VDDIO. VDDIO should NOT be present first or be held high before VBAT is high.
Control Signal Timing Diagrams




Hardware Architecture
Block Diagrams
M.2 1318 Solder-down

M.2 2230 E-Key

Pin-Out
M.2 1318 Solder-down
| Pin # | Name | Type | Voltage Ref. | Function | If Not Used |
|---|---|---|---|---|---|
| 1 | UIM_POWER_SRC/GPIO1 | - | - | NA | - |
| 2 | UIM_POWER_SNK | - | - | NA | - |
| 3 | UIM_SWP | - | - | NA | - |
| 4 | 3.3V | PWR | 3.3V | Power Supply Input | - |
| 5 | 3.3V | PWR | 3.3V | Power Supply Input | - |
| 6 | GND | - | - | Ground | GND |
| 7 | RESERVED | - | - | NA | - |
| 8 | ALERT | - | - | NA | - |
| 9 | I2C_CLK | - | - | NA | - |
| 10 | I2C_DATA | - | - | NA | - |
| 11 | COEX_RXD | I | VDDIO | WLAN_JTAG_TMS | NC |
| 12 | COEX_TXD | I | VDDIO | WLAN_JTAG_TCK | NC |
| 13 | COEX3 | I | VDDIO | WLAN_JTAG_TDI | NC |
| 14 | SYSCLK/GNSS_0 | - | - | NA | - |
| 15 | TX_BLANKING/GNSS_1 | - | - | NA | - |
| 16 | RESERVED | - | - | NA | - |
| 17 | GND | - | - | Ground | GND |
| 18 | RESERVED | I | VDDIO |
| NC |
| 19 | RESERVED | O | VDDIO | WLAN_JTAG_TDO | NC |
| 20 | GND | - | - | Ground | GND |
| 21 | RESERVED | I | VDDIO | Reserved | NC |
| 22 | RESERVED | I | VDDIO |
| NC |
| 23 | GND | - | - | Ground | GND |
| 24 | GPIO_1 | I | VDDIO | WLAN Interface Select
| - |
| 25 | RESERVED | I | VDDIO | JTAG_SEL Reserved Must be pulled to GND for normal operation | GND |
| 26 | GND | - | - | Ground | GND |
| 27 | SUSCLK(32kHz) | I | VDDIO | External Sleep Clock (32.768 kHz) This clock must be provided | - |
| 28 | W_DISABLE1# | I | VDDIO | This pin controls the internal WL_REG_ON signal and has an internal 50K pull-down. This pin must be driven/pulled high to enable WLAN Recommend controlling this signal via host GPIO for optimal power control. | NC |
| 29 | PEWAKE# | O | VDDIO | PCI power management event output. Used to request a change in the device or system power state. The assertion and de-assertion of this signal are asynchronous to the PCIe reference clock. | NC |
| 30 | CLKREQ# | O | VDDIO | PCIe clock request signal which indicates when the REFCLK to the PCIe interface can be gated.
| NC |
| 31 | PERST# | I | VDDIO | PCIe System Reset | NC |
| 32 | GND | - | - | Ground | GND |
| 33 | REFCLKn0 | I | - | PCIE Differential Pair Clock Source (100 MHz) Negative Input. | NC |
| 34 | REFCLKp0 | I | - | PCIE Differential Pair Clock Source (100 MHz) Positive Input. | NC |
| 35 | GND | - | - | Ground | GND |
| 36 | PETn0 | O | - | PCIE Transmitter Differential Pair Negative Output | NC |
| 37 | PETp0 | O | - | PCIE Transmitter Differential Pair Positive Output | NC |
| 38 | GND | - | - | Ground | GND |
| 39 | PERn0 | I | - | PCIE Receiver Differential Pair Negative Input | NC |
| 40 | PERp0 | I | - | PCIE Receiver Differential Pair Positive Input | NC |
| 41 | GND | - | - | Ground | GND |
| 42 | VENDOR DEFINED | PWR | VDDIO | 1.8V IO Supply for all digital I/O | - |
| 43 | VENDOR DEFINED | - | - | NA | - |
| 44 | VENDOR DEFINED | - | - | NA | - |
| 45 | SDIO RESET# | - | - | NA | - |
| 46 | SDIO WAKE# | O | VDDIO | WL_HOST_WAKE Reserved | NC |
| 47 | SDIO DATA3 | I/O | VDDIO | SDIO Data line 3 | NC |
| 48 | SDIO DATA2 | I/O | VDDIO | SDIO Data line 2 | NC |
| 49 | SDIO DATA1 | I/O | VDDIO | SDIO Data line 1 | NC |
| 50 | SDIO DATA0 | I/O | VDDIO | SDIO Data line 0 | NC |
| 51 | SDIO CMD | I/O | VDDIO | SDIO command line | NC |
| 52 | SDIO CLK | I | VDDIO | SDIO Clock Input | NC |
| 53 | UART WAKE# | O | VDDIO | BT_HOST_WAKE Reserved | NC |
| 54 | UART CTS | I | VDDIO | BT UART CTS Hardware handshake is required | - |
| 55 | UART_Tx | O | VDDIO | BT UART Transmit | - |
| 56 | UART_Rx | I | VDDIO | BT UART Receive | - |
| 57 | UART_RTS | O | VDDIO | BT UART RTS Hardware handshake is required | - |
| 58 | PCMFR1 | I/O | VDDIO | BT_PCM Sync. Master mode: Generated by radio Slave mode: Generated by external host | NC |
| 59 | PCMIN | I | VDDIO | BT_PCM data input. | NC |
| 60 | PCMOUT | O | VDDIO | BT_PCM data output | NC |
| 61 | PCMCLK | I/O | VDDIO | BT_PCM Clock
| NC |
| 62 | GND | - | - | Ground | GND |
| 63 | W_DISABLE2# | I | VDDIO | This pin controls the internal BT_REG_ON signal and has an internal 50K pull-down. This pin must be controlled by host GPIO | NC |
| 64 | LED_2# | I/O | VDDIO | Reserved | NC |
| 65 | LED_1# | I/O | VDDIO | BT Interface Select/GPIO_12 This pin must be pulled high | - |
| 66 | RESERVED | I | VDDIO | BT_DEV_WAKE Reserved | NC |
| 67 | RESERVED | I | VDDIO | WLAN_JTAG_TRST Reserved | NC |
| 68 | GND | - | - | Ground | GND |
| 69 | USB_D- | - | - | NA | NC |
| 70 | USB_D+ | - | - | NA | NC |
| 71 | GND | - | - | Ground | GND |
| 72 | 3.3V | PWR | 3.3V | Power Supply Input | - |
| 73 | 3.3V | PWR | 3.3V | Power Supply Input | - |
| 74~ 78 | GND | - | - | Ground | GND |
| 79 | BT_S | - | - | Bluetooth RF for trace antenna variant Unused for MHF4 antenna connector variant | - |
| 80~ 85 | GND | - | - | Ground | GND |
| 86 | WL_C0 | - | - | WLAN RF Antenna 0 for trace antenna variant Unused for MHF4 antenna connector variant | |
| 87~ 93 | GND | - | - | Ground | GND |
| 94 | WL_C1 | - | - | WLAN RF Antenna 1 for trace antenna variant Unused for MHF4 antenna connector variant | |
| 95~ 96 | GND | - | - | Ground | GND |
| G1~ G12 | GND | - | - | Ground | GND |
Note: The transmit/receive differential pairs of the PCIe bus include "PERp0", "PERn0", "PETp0" and "PETn0", which do not have a built-in decoupling capacitor.
M.2 2230 E-Key
| Pin # | Name | Type | Voltage Ref. | Function | If Not Used |
|---|---|---|---|---|---|
| 1 | GND | - | - | Ground | GND |
| 2 | 3.3V | PWR I/P | 3.3V | DC supply voltage for module. Operational is 3.13V to 3.6V | - |
| 3 | USB_D+ | - | - | NA | NC |
| 4 | 3.3V | PWR I/P | 3.3V | DC supply voltage for module. Operational is 3.13V to 3.6V | - |
| 5 | USB_D- | - | - | NA | NC |
| 6 | LED1# | I/O | 3.3V | GPIO_12 Reserved | NC |
| 7 | GND | - | - | Ground | GND |
| 8 | PCM_CLK | I/O | 1.8V | PCM clock. Can be master (Output) or slave (Input) | NC |
| 9 | SDIO CLK | I | 1.8V | SDIO clock input | NC |
| 10 | PCM_SYNC | I/O | 1.8V | PCM Sync. Can be master (Output) or slave (Input) | NC |
| 11 | SDIO CMD | I/O | 1.8V | SDIO command line | NC |
| 12 | PCM_OUT | O | 1.8V | PCM data output. | NC |
| 13 | SDIO DATA0 | I/O | 1.8V | SDIO data lin0 | NC |
| 14 | PCM_IN | I | 1.8V | PCM data input. | NC |
| 15 | SDIO DATA1 | I/O | 1.8V | SDIO data lin1 | NC |
| 16 | LED2# | I/O | 3.3V | GPIO_13 Reserved | NC |
| 17 | SDIO DATA2 | I/O | 1.8V | SDIO data lin2 | NC |
| 18 | GND | - | - | Ground | GND |
| 19 | SDIO DATA3 | I/O | 1.8V | SDIO data lin3 | NC |
| 20 | UART WAKE# | O | 3.3V | BT_HOST_WAKE Reserved | NC |
| 21 | SDIO WAKE# | O | 1.8V | WL_HOST_WAKE Reserved | NC |
| 22 | UART_TXD | O | 1.8V | BT UART Transmit | NC |
| 23 | SDIO RESET# | - | - | NC | NC |
| 32 | UART_RXD | I | 1.8V | BT UART Receive | NC |
| 33 | GND | - | - | Ground | GND |
| 34 | UART_RTS | O | 1.8V | BT UART RTS Hardware handshake is required | NC |
| 35 | PERp0 | I | - | PCIE Receiver Differential Pair Positive Input | NC |
| 36 | UART_CTS | I | 1.8V | BT UART CTS Hardware handshake is required | NC |
| 37 | PERn0 | I | - | PCIE Receiver Differential Pair Negative Input | NC |
| 38 | VENDER DEFINED38 | O | 1.8V | WLAN_JTAG_TDO Reserved | NC |
| 39 | GND | - | - | Ground | GND |
| 40 | VENDER DEFINED40 | I | 1.8V | WL_DEV_WAKE Reserved | NC |
| 41 | PETp0 | O | - | PCIE Transmitter Differential Pair Positive Output | NC |
| 42 | VENDER DEFINED42 | I | 1.8V | BT_DEV_WAKE Reserved | NC |
| 43 | PETn0 | O | - | PCIE Transmitter Differential Pair Negative Output | NC |
| 44 | COEX3 | I | 1.8V | WLAN_JTAG_TDI Reserved | NC |
| 45 | GND | - | - | Ground | GND |
| 46 | COEX2 | I | 1.8V | WLAN_JTAG_TCK Reserved | NC |
| 47 | REFCLKp0 | I | - | PCIE Differential Pair Clock Source (100 MHz) Positive Input. | NC |
| 48 | COEX1 | I | 1.8V | WLAN_JTAG_TMS Reserved | NC |
| 49 | REFCLKn0 | I | - | PCIE Differential Pair Clock Source (100 MHz) Negative Input. | NC |
| 50 | SUSCLK | I | 3.3V | External Sleep Clock (32.768 kHz) This clock must be provided | - |
| 51 | GND | - | - | Ground | GND |
| 52 | PERST0# | I | 3.3V | PCIe System Reset | NC |
| 53 | CLKREQ0# | O | 3.3V | PCIe clock request signal which indicates when the REFCLK to the PCIe interface can be gated. | NC |
| 54 | W_DISABLE2# | I | 3.3V | This pin controls the internal BT_REG_ON signal and has a 10K pull-up on the M.2 2230 module. This pin must be controlled by host GPIO | NC |
| 55 | PEWAKE0# | O | 3.3V | PCI power management event output. Used to request a change in the device or system power state. The assertion and deassertion of this signal is asynchronous to the PCIe reference clock. | NC |
| 56 | W_DISABLE1# | I | 3.3 V | This pin controls the internal WL_REG_ON signal and has a 10K pull-up on the M.2 2230 module. This pin must be controlled by host GPIO | NC |
| 57 | GND | - | - | Ground | GND |
| 58 | I2C DATA | - | - | NC | NC |
| 59 | RESERVED | - | - | NC | NC |
| 60 | I2C CLK | - | - | NC | NC |
| 61 | RESERVED | - | - | NC | NC |
| 62 | ALERT# | - | - | NC | NC |
| 63 | GND | - | - | Ground | GND |
| 64 | RESERVED | - | - | NC | NC |
| 65 | RESERVED | - | - | NC | NC |
| 66 | UIM_SWP | - | - | NC | NC |
| 67 | RESERVED | - | - | NC | NC |
| 68 | UIM_POWER_SNK | - | - | NC | NC |
| 69 | GND | - | - | Ground | GND |
| 70 | UIM_POWER_SRC | - | - | NC | NC |
| 71 | RESERVED | - | - | NC | NC |
| 72 | 3.3V | PWR I/P | 3.3V | DC supply voltage for module. Operational is 3.13V to 3.6V | -- |
| 73 | RESERVED | - | - | NC | NC |
| 74 | 3.3V | PWR I/P | 3.3V | DC supply voltage for module. Operational is 3.13V to 3.6V | -- |
| 75 | GND | - | - | Ground | GND |
Note: The transmit/receive differential pairs of the PCIe bus include "PERp0", "PERn0", "PETp0" and "PETn0", which have a built-in decoupling capacitor.
Package Layout




Mechanical Drawings
M.2 1318
Module dimensions of Sona IF573 M.2 1318 package is 18 x 13 x 1.9 mm. Detailed drawings are shown below.



M.2 2230 E-Key
Module dimensions of Sona IF573 M.2 2230 E-Key module is 22 x 30 x 2.7 mm. Detailed drawings are shown below.

Notes:
The Wi-Fi MAC address is located on the product label.
The last digit of Wi-Fi MAC address is assigned to either 0, 2, 4, 6, 8, A, C, E.
The BT MAC address is the Wi-Fi MAC address plus 1.
M.2 2230 E-Key Mounting
The Sona IF573 M.2 2230 E-Key module connects to the host via a standard PCI EXPRESS M2 connector.
Kyocera’s 6411 series provides 1.8mm, 2.3mm and 3.2mm connector heights. JAE’s SM3 series provides 1.2mm, 2.15mm, 3.1mm and 4.1mm connector heights.
The Sona IF573 M.2 2230 E-Key module is a single-sided component module so we recommend the connectors listed below.
| M.2 Key-E Connector | Connector Height |
|---|---|
| KYOCERA 24-6411-067-101-894E | 2.3 mm |
| JAE SM3ZS067U310AERxxxx | 3.1 mm |
The corresponding standoffs are listed below.
| M.2 Key-E Connector | Stand-off |
|---|---|
| KYOCERA 24-6411-067-101-894E | EMI STOP F50M16-041525P1D4M |
| JAE SM3ZS067U310AERxxxx | JAE SM3ZS067U310-NUT1-Rxxxx |
Host Interface Specifications
SDIO Specifications
The Sona IF573 series wireless module SDIO host interface pins are powered from the VDDIO voltage supply, which is set internally at 1.8V on the M.2 module. The SDIO electrical specifications are identical for the 1-bit SDIO and 4-bit SDIO modes.
Note: The SDIO host signals must be 1.8V at all times as defined by the M.2 standard.
Default Speed, High-Speed Modes


Note: Over full range of values specified in the Recommended Operating Conditions unless otherwise specified.
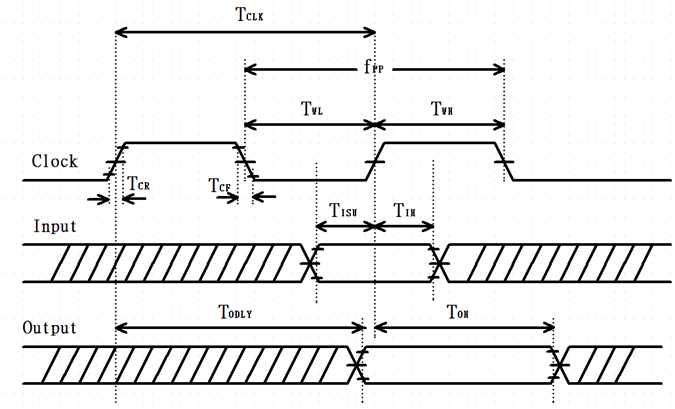
SDIO timing requirements
| Symbol | Parameter | Condition | Min. | Typ. | Max. | Unit |
|---|---|---|---|---|---|---|
| fPP | Clock Frequency | Default Speed High-Speed | 0 0 | - - | 25 50 | MHz |
| TWL | Clock low time | Default Speed High-Speed | 10 7 | - - | - - | ns |
| TWH | Clock high time | Default Speed High-Speed | 10 7 | - - | - - | ns |
| TISU | Input Setup time | Default Speed High-Speed | 5 6 | - - | - - | ns |
| TIH | Input Hold time | Default Speed High-Speed | 5 2 | - - | - - | ns |
| TODLY | Output delay time CL≦40pF (1 card) | Default Speed High-Speed | - - | - - | 14 14 | ns |
| TOH | Output hold time | High-Speed | 0 | - | - | ns |
SDR12, SDR25, SDR50 Modes (up to 100 MHz) (1.8V)

Note: Over full range of values specified in the Recommended Operating Conditions unless otherwise specified.
SDIO timing requirements - SDR12, SDR25, SDR50 modes (up to 100 MHz) (1.8V)
| Symbol | Parameter | Condition | Min. | Typ. | Max. | Unit |
|---|---|---|---|---|---|---|
| fPP | Clock Frequency | SDR12/25/50 | 25 | - | 100 | MHz |
| TISU | Input setup time | SDR12/25/50 | 3 | -- | - | ns |
| TIH | Input Hold time | SDR12/25/50 | 0.8 | - | - | ns |
| TCLK | Clock Time | SDR12/25/50 | 10 | - | 40 | ns |
| TCR, TCF | Raise time, Fall time TCR, TCF <2ns (max) at 100MHz CCARD=10pF | SDR12/25/50 | - | - | 0.2*TCLK | ns |
| TODLY | Output delay time CL≦30pF | SDR12/25/50 | - | - | 7.5 | ns |
| TOH | Output hold time CL=15pF | SDR12/25/50 | 1.5 | - | - | ns |
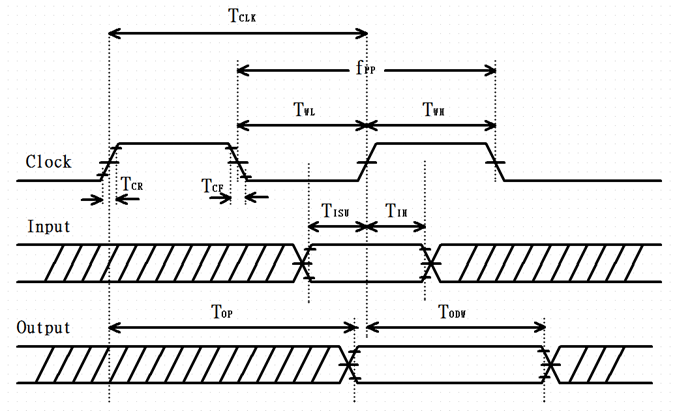
SDR104 Mode (208 MHz) (1.8V)

Note: Over full range of values specified in the Recommended Operating Conditions unless otherwise specified.
SDIO timing requirements - SDR104 mode (up to 208MHz) (1.8V)
| Symbol | Parameter | Condition | Min. | Typ. | Max. | Unit |
|---|---|---|---|---|---|---|
| fPP | Clock Frequency | SDR104 | 0 | - | 208 | MHz |
| TISU | Input setup time | SDR104 | 1.4 | -- | - | ns |
| TIH | Input Hold time | SDR104 | 0.8 | - | - | ns |
| TCLK | Clock Time | SDR104 | 4.8 | - | - | ns |
| TCR, TCF | Raise time, Fall time TCR, TCF <0.96ns (max) at 208MHz CCARD=10pF | SDR104 | - | - | 0.2*TCLK | ns |
| TOP | Card Output phase | SDR104 | 0 | - | 10 | ns |
| TODW | Output timing pf variable data window | SDR12/25/50 | 2.88 | - | - | ns |
PCI Express Specifications
The Sona IF573 series wireless module supports the PCIe interface, which provides high-performance serial I/O interconnects and is also protocol compliant and electrically compatible with the PCI Express Base Specification v3.0 running at Gen2 speeds.
Organization of the PCIe core is in logical layers: Transaction Layer, Data Link Layer, and Physical Layer, as shown in Figure 7. A configuration or link management block is provided for enumerating the PCIe configuration space and supporting generation and reception of System Management Messages by communicating with PCIe layers.
Each layer is partitioned into dedicated transmit and receive units that allow point-to-point communication between the host and Sona IF573 device. The transmit side processes outbound packets whereas the receive side processes inbound packets. Packets are formed and generated in the Transaction and Data Link Layer for transmission onto the high-speed links and onto the receiving device. A header is added at the beginning to indicate the packet type and any other optional fields.

PCM Specifications
PCM Interface
The Sona IF573 series wireless module supports a PCM interface. The PCM interface on the Sona IF573 series wireless module can connect to linear PCM codec devices in Master/Slave mode. In Master mode, the Sona IF573 generates the BT_PCM_CLK and BT_PCM_SYNC signals, and in Slave mode, these signals are provided by another master on the PCM interface and are input to the Sona IF573 module.
The configuration of the PCM interface may be adjusted by the host through the use of vendor-specific HCI commands.
PCM Interface Timing

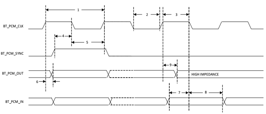
PCM timing specification – Short Frames Sync, Master Mode
| Reference | Characteristics | Min. | Typ. | Max. | Unit |
|---|---|---|---|---|---|
| 1 | PCM bit clock frequency | - | - | 12.0 | MHz |
| 2 | PCM bit clock LOW | 41.0 | - | - | ns |
| 3 | PCM bit clock HIGH | 41.0 | - | - | ns |
| 4 | BT_PCM_SYNC delay | 0 | - | 25.0 | ns |
| 5 | BT_PCM_OUT delay | 0 | - | 25.0 | ns |
| 6 | BT_PCM_IN setup | 8.0 | - | - | ns |
| 7 | BT_PCM_IN hold | 8.0 | - | - | ns |
| 8 | Delay from rising edge of BT_PCM_CLK during last bit period to BT_PCM_OUT becoming high impedance | 0 | - | 25.0 | ns |

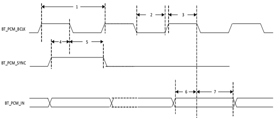
PCM timing specification – Short Frame Sync, Slave Mode
| Reference | Characteristics | Min. | Typ. | Max. | Unit |
|---|---|---|---|---|---|
| 1 | PCM bit clock frequency | - | - | 12.0 | MHz |
| 2 | PCM bit clock LOW | 41.0 | - | - | ns |
| 3 | PCM bit clock HIGH | 41.0 | - | - | ns |
| 4 | BT_PCM_SYNC setup | 8.0 | - | - | ns |
| 5 | BT_PCM_SYNC hold | 8.0 | - | - | ns |
| 6 | BT_PCM_OUT delay | 0 | - | 25.0 | ns |
| 7 | BT_PCM_IN setup | 8.0 | - | - | ns |
| 8 | BT_PCM_IN hold | 8.0 | - | - | ns |
| 9 | Delay from rising edge of BT_PCM_CLK during last bit period to BT_PCM_OUT becoming high impedance | 0 | - | 25.0 | ns |

PCM timing specification – Long Frame Sync, Master Mode
| Reference | Characteristics | Min. | Typ. | Max. | Unit |
|---|---|---|---|---|---|
| 1 | PCM bit clock frequency | - | - | 12.0 | MHz |
| 2 | PCM bit clock LOW | 41.0 | - | - | ns |
| 3 | PCM bit clock HIGH | 41.0 | - | - | ns |
| 4 | BT_PCM_SYNC delay | 0 | - | 25.0 | ns |
| 5 | BT_PCM_OUT delay | 0 | - | 25.0 | ns |
| 6 | BT_PCM_IN setup | 8.0 | - | - | ns |
| 7 | BT_PCM_IN hold | 8.0 | - | - | ns |
| 8 | Delay from rising edge of BT_PCM_CLK during last bit period to BT_PCM_OUT becoming high impedance | 0 | - | 25.0 | ns |

PCM timing specification – Long Frame Sync, Slave Mode
| Reference | Characteristics | Min. | Typ. | Max. | Unit |
|---|---|---|---|---|---|
| 1 | PCM bit clock frequency | - | - | 12.0 | MHz |
| 2 | PCM bit clock LOW | 41.0 | - | - | ns |
| 3 | PCM bit clock HIGH | 41.0 | - | - | ns |
| 4 | BT_PCM_SYNC setup | 8.0 | - | - | ns |
| 5 | BT_PCM_SYNC hold | 8.0 | - | - | ns |
| 6 | BT_PCM_OUT delay | 0 | - | 25.0 | ns |
| 7 | BT_PCM_IN setup | 8.0 | - | - | ns |
| 8 | BT_PCM_IN hold | 8.0 | - | - | ns |
| 9 | Delay from rising edge of BT_PCM_CLK during last bit period to BT_PCM_OUT becoming high impedance | 0 | - | 25.0 | ns |

PCM timing specification – Short Frame Sync, Receive Only, Burst Mode
| Reference | Characteristics | Min. | Typ. | Max. | Unit |
|---|---|---|---|---|---|
| 1 | PCM bit clock frequency | - | - | 24.0 | MHz |
| 2 | PCM bit clock LOW | 20.8 | - | - | ns |
| 3 | PCM bit clock HIGH | 20.8 | - | - | ns |
| 4 | BT_PCM_SYNC setup | 8.0 | - | - | ns |
| 5 | BT_PCM_SYNC hold | 8.0 | - | - | ns |
| 6 | BT_PCM_IN setup | 8.0 | - | - | ns |
| 7 | BT_PCM_IN hold | 8.0 | - | - | ns |

PCM timing specification – Long Frame Sync, Receive Only, Burst Mode
| Reference | Characteristics | Min. | Typ. | Max. | Unit |
|---|---|---|---|---|---|
| 1 | PCM bit clock frequency | - | - | 24.0 | MHz |
| 2 | PCM bit clock LOW | 20.8 | - | - | ns |
| 3 | PCM bit clock HIGH | 20.8 | - | - | ns |
| 4 | BT_PCM_SYNC setup | 8.0 | - | - | ns |
| 5 | BT_PCM_SYNC hold | 8.0 | - | - | ns |
| 6 | BT_PCM_IN setup | 8.0 | - | - | ns |
| 7 | BT_PCM_IN hold | 8.0 | - | - | ns |
JTAG Specifications
The Sona IF573 supports the JTAG interface for use with proprietary debug and characterization test tools during board bring-up.
Note: The JTAG interface is disabled by default and not exposed on the M.2 2230 E-Key interface.
Electrical Characteristics
Absolute Maximum Ratings
The following table summarizes the absolute maximum ratings for the Sona IF573 series wireless module. Absolute maximum ratings are those values beyond which damage to the device can occur. Functional operation under these conditions, or at any other condition beyond those indicated in the operational sections of this document, is not recommended.
Note: Maximum rating for signals follows the supply domain of the signals.
| Symbol (Domain) | Description | Max Rating | Unit |
|---|---|---|---|
| VBAT | External DC power supply (M.2 1318) | +6.0 | V |
| VDDIO | DC supply voltage for digital I/O (M.2 1318) | 2.2 | V |
| 3V3 | External 3.3V power supply (M.2 2230 E-Key) | 4.0 | V |
| Storage | Storage temperature | -40 to +125 | °C |
| Antenna | Maximum RF input (reference to 50-Ω input) | +10 | dBm |
| ESD | Electrostatic discharge tolerance | 2000 | V |
Recommended Operating Conditions
The following table lists the recommended operating conditions for the Sona IF573 series wireless module.
| Symbol (Domain) | Parameter | Min | Typ | Max | Unit |
|---|---|---|---|---|---|
| VBAT | External DC power supply | 3.13 | 3.3 | 3.47 | V |
| VDDIO | DC supply voltage for digital I/O | 1.71 | 1.8 | 1.89 | V |
| T-ambient | Ambient temperature | -40 | 25 | +85 | °C |
DC Electrical Characteristics
The following table lists the general DC electrical characteristics over recommended operating conditions (unless otherwise specified).
| Symbol | Parameter | Conditions | Min | Typ | Max | Unit |
|---|---|---|---|---|---|---|
| VIH | High Level Input Voltage | — | 0.65 x VDDIO | — | — | V |
| VIL | Low Level Input Voltage | — | — | — | 0.35 x VDDIO | V |
| VOH | Output high Voltage | — | VDDIO – 0.4 | — | — | V |
| VOL | Output low Voltage | — | — | — | 0.45 | V |
Radio Characteristics
WLAN Radio Receiver Characteristics
The following tables summarize the Sona IF573 series wireless module receiver characteristics.
WLAN receiver characteristics for 2.4 GHz single chain operation
| Item | Parameter | Conditions | Min | Typ | Max | Unit |
|---|---|---|---|---|---|---|
| Frequency Range | Receive input frequency range | — | 2.412 | — | 2.484 | GHz |
| Modulation Type | Sensitivity | |||||
| CCK, 1 Mbps | See Note1 | — | -96 | — | dBm | |
| CCK, 11 Mbps | — | -90 | — | |||
| OFDM, 6 Mbps | — | -93 | — | |||
| OFDM, 54 Mbps | — | -76 | — | |||
| HT20, MCS0 | — | -93 | — | |||
| HT20, MCS7 | — | -75 | — | |||
| HE20, MCS0 | — | -93 | — | |||
| HE20, MCS11 | — | -62 | — | |||
ACI - OFDM [Difference between interfering and desired signal (25 MHz apart)] | Adjacent channel rejection | |||||
| OFDM, 6 Mbps | See Note1 | — | 30 | — | dB | |
| OFDM, 54 Mbps | — | 15 | — | |||
ACI – 11n MCS0-7 [Difference between interfering and desired signal (25 MHz apart)] | HT20, MCS0 | — | 30 | — | ` | |
| HT20, MCS7 | — | 10 | — | |||
ACI – 11ax MCS0-11 [Difference between interfering and desired signal (25 MHz apart)] | HE20, MCS0 | — | 30 | — | ||
| HE20, MCS7 | — | 10 | — | |||
| HE20, MCS11 | — | TBD | — | |||
Note 1: Performance data are measured in single chain operation.
WLAN receiver characteristics for 5 GHz single chain operation
| Item | Parameter | Conditions | Min | Typ | Max | Unit |
|---|---|---|---|---|---|---|
| Frequency Range | Receive input frequency range | — | 5.15 | — | 5.825 | GHz |
| Modulation Type | Sensitivity | |||||
| OFDM, 6 Mbps | See Note1 | — | -92 | — | dBm | |
| OFDM, 54 Mbps | — | -75 | — | |||
| HT20, MCS0 | — | -93 | — | |||
| HT20, MCS7 | — | -73 | — | |||
| HT40, MCS0 | — | -90 | — | |||
| HT40, MCS7 | — | -71 | — | |||
| VHT20, MCS0 | — | -93 | — | |||
| VHT20, MCS8 | — | -70 | — | |||
| VHT40, MCS0 | — | -90 | — | |||
| VHT40, MCS9 | — | -65 | — | |||
| VHT80, MCS0 | — | -87 | — | |||
| VHT80, MCS9 | — | -62 | — | |||
| HE20, MCS0 | — | -92 | — | |||
| HE20, MCS11 | — | -60 | — | |||
| HE40, MCS0 | — | -90 | — | |||
| HE40, MCS11 | — | -58 | — | |||
| HE80, MCS0 | — | -87 | — | |||
| HE80, MCS11 | — | -55 | — | |||
ACI - OFDM [Difference between interfering and desired signal (20 MHz apart)] | Adjacent channel rejection | |||||
| OFDM, 6 Mbps | See Note1 | — | 25 | — | dB | |
| OFDM, 54 Mbps | — | 5 | — | |||
ACI – MCS0-11 [Difference between interfering and desired signal (20 MHz apart)] | MCS0 | See Note1 | — | 25 | — | dB |
| MCS7 | — | 5 | — | |||
| MCS11 | — | TBD | — | |||
ACI – MCS0-11 [Difference between interfering and desired signal (40 MHz apart)] | MCS0 | See Note1 | — | 24 | — | dB |
| MCS7 | — | 5 | — | |||
| MCS11 | — | TBD | — | |||
ACI – MCS0-11 [Difference between interfering and desired signal (80 MHz apart)] | MCS0 | See Note1 | — | TBD | — | dB |
| MCS7 | — | TBD | — | |||
| MCS11 | — | TBD | — | |||
Note 1: Performance data are measured in single chain operation.
WLAN receiver characteristics for 6 GHz single chain operation
| Item | Parameter | Conditions | Typical (Sensitivity) | Unit | |||
|---|---|---|---|---|---|---|---|
| UNII-5 | UNII-6 | UNII-7 | UNII-8 | ||||
| Frequency Range | Receive input frequency range | — | 5950 - 6415 | 6435 - 6515 | 6535 - 6875 | 6895 - 7115 | MHz |
| Modulation Type | OFDM, 6Mbps | See Note1 | -92 | -91 | -90 | -88 | dBm |
| OFDM, 24Mbps | -83 | -82 | -81 | -79 | |||
| HE20, MCS0 | -92 | -91 | -90 | -89 | |||
| HE20, MCS7 | -74 | -73 | -72 | -70 | |||
| HE20, MCS8 | -69 | -68 | -67 | -66 | |||
| HE20, MCS9 | -68 | -67 | -66 | -64 | |||
| HE20, MCS11 | -60 | -59 | -58 | -56 | |||
| HE40, MCS0 | -90 | -89 | -88 | -86 | |||
| HE40, MCS7 | -71 | -70 | -69 | -67 | |||
| HE40, MCS8 | -67 | -66 | -65 | -63 | |||
| HE40, MCS9 | -65 | -64 | -63 | -61 | |||
| HE40, MCS11 | -56 | -55 | -55 | -53 | |||
| HE80, MCS0 | -87 | -85 | -84 | -83 | |||
| HE80, MCS7 | -68 | -67 | -65 | -64 | |||
| HE80, MCS8 | -64 | -63 | -62 | -60 | |||
| HE80, MCS9 | -62 | -61 | -60 | -58 | |||
| HE80, MCS11 | -54 | -54 | -52 | -51 | |||
| ACI - OFDM [Difference between interfering and desired signal (20 MHz apart)] | 6 Mbps | See Note1 | 25 | 25 | 25 | 25 | dB |
ACI – MCS0-11 [Difference between interfering and desired signal (20 MHz apart)] | MCS0 | See Note1 | 25 | 25 | 25 | 25 | |
| MCS7 | 5 | 5 | 5 | 5 | |||
| MCS9 | TBD | TBD | TBD | TBD | |||
| MCS11 | TBD | TBD | TBD | TBD | |||
ACI – MCS0-11 [Difference between interfering and desired signal (40 MHz apart)] | MCS0 | See Note1 | 24 | 24 | 24 | 24 | |
| MCS7 | 5 | 5 | 5 | 5 | |||
| MCS9 | TBD | TBD | TBD | TBD | |||
| MCS11 | TBD | TBD | TBD | TBD | |||
Note 1: Performance data are measured in single chain operation.
WLAN Transmitter Characteristics
The following tables summarize the Sona IF573 series wireless module transmitter characteristics.
WLAN transmitter characteristics for 2.4 GHz operation (VBAT = 3.3V, VDDIO = 1.8V)
| Symbol | Parameter | Conditions | Min | Typ | Max | Unit |
|---|---|---|---|---|---|---|
| Ftx | Transmit output frequency range | — | 2.402 | — | 2.484 | GHz |
| Pout | Output power | See Note2 | — | — | — | — |
| 11b mask compliant | 1-11Mbps | — | 17 | — | dBm | |
| 11g mask compliant | 6-48Mbps | — | 16.5 | — | ||
| 11g EVM compliant | 54Mbps | — | 16 | — | ||
| 11n HT20 mask compliant | MCS0-4 | — | 16 | — | ||
| 11n HT20 EVM compliant | MCS5-7 | — | 15 | — | ||
| 11ax HE20 mask compliant | MCS0-4 | — | 16 | — | ||
| 11ax HE20 EVM compliant | MCS5-7 | — | 15 | — | ||
| 11ax HE20 EVM compliant | MCS8-9 | — | 12.5 | — | ||
| 11ax HE20 EVM compliant | MCS10-11 | — | 10.5 | — | ||
| ATx | Transmit power accuracy at 25 ℃ | — | -2.0 | — | +2.0 | dB |
Note 2: Final TX power values on each channel are limited by regulatory requirements.
WLAN transmitter characteristics for 5 GHz operation (VBAT=3.3V, VDDIO=1.8V)
| Symbol | Parameter | Conditions | Min | Typ | Max | Unit |
|---|---|---|---|---|---|---|
| Ftx | Transmit output frequency range | — | 5.15 | — | 5.925 | GHz |
| Pout | Output power | See Note2 | — | — | — | — |
| 11a mask compliant | 6-36Mbps | — | 16.5 | — | dBm | |
| 11a EVM compliant | 48-54Mbps | — | 16 | — | ||
| 11n HT20 mask compliant | MCS0-4 | — | 16.5 | — | ||
| 11n HT20 EVM compliant | MCS5-7 | — | 16 | — | ||
| 11n HT40 mask compliant | MCS0-4 | — | 16 | — | ||
| 11n HT40 EVM compliant | MCS5-7 | — | 15 | — | ||
| 11ac VHT20 mask compliant | MCS0-4 | — | 16.5 | — | ||
| 11ac VHT20 EVM compliant | MCS5-7 | — | 16 | — | ||
| 11ac VHT20 EVM compliant | MCS8 | — | 14 | — | ||
| 11ac VHT40 mask compliant | MCS0-4 | — | 16 | — | ||
| 11ac VHT40 EVM compliant | MCS5-7 | — | 15 | — | ||
| 11ac VHT40 EVM compliant | MCS8-9 | — | 12 | — | ||
| 11ac VHT80 mask compliant | MCS0-4 | — | 16 | — | ||
| 11ac VHT80 EVM compliant | MCS5-7 | — | 15 | — | ||
| 11ac VHT80 EVM compliant | MCS8-9 | — | 12 | — | ||
| 11ax HE20 mask compliant | MCS0-4 | — | 16.5 | — | ||
| 11ax HE20 EVM compliant | MCS5-7 | — | 16 | — | ||
| 11ax HE20 EVM compliant | MCS8-9 | — | 14 | — | ||
| 11ax HE20 EVM compliant | MCS10-11 | — | 13 | — | ||
| 11ax HE40 mask compliant | MCS0-4 | — | 16 | — | ||
| 11ax HE40 EVM compliant | MCS5-7 | — | 15 | — | ||
| 11ax HE40 EVM compliant | MCS8-9 | — | 12 | — | ||
| 11ax HE40 EVM compliant | MCS10-11 | — | 11.5 | — | ||
| 11ax HE80 mask compliant | MCS0-4 | — | 16 | — | ||
| 11ax HE80 EVM compliant | MCS5-7 | — | 15 | — | ||
| 11ax HE80 EVM compliant | MCS8-9 | — | 12 | — | ||
| 11ax HE80 EVM compliant | MCS10-11 | — | 11 | — | ||
| ATx | Transmit power accuracy at 25 ℃ | — | -2.0 | — | +2.0 | dB |
Note 2: Final TX power values on each channel are limited by regulatory requirements.
WLAN transmitter characteristics for UNII-5 and UNII-6 operation (VBAT = 3.3V, VDDIO = 1.8V)
| Symbol | Parameter | Conditions | Min | Typ | Max | Unit |
|---|---|---|---|---|---|---|
| Ftx | Transmit output frequency range | — | 5.925 | — | 6.53 | GHz |
| Pout | Output power | See Note2 | — | — | — | — |
| 11a mask compliant | 6-24Mbps | — | 15.5 | — | dBm | |
| 11ax HE20 mask compliant | MCS0-6 | — | 15.5 | — | ||
| 11ax HE20 EVM compliant | MCS7 | — | 15 | — | ||
| 11ax HE20 EVM compliant | MCS8 | — | 14.5 | — | ||
| 11ax HE20 EVM compliant | MCS9-11 | — | 12 | — | ||
| 11ax HE40 mask compliant | MCS0-6 | — | 15.5 | — | ||
| 11ax HE40 EVM compliant | MCS7 | — | 14 | — | ||
| 11ax HE40 EVM compliant | MCS8 | — | 12.5 | — | ||
| 11ax HE40 EVM compliant | MCS9 | — | 12 | — | ||
| 11ax HE40 EVM compliant | MCS10-11 | — | 11 | — | ||
| 11ax HE80 mask compliant | MCS0-6 | — | 15 | — | ||
| 11ax HE80 EVM compliant | MCS7 | — | 14 | — | ||
| 11ax HE80 EVM compliant | MCS8 | — | 12 | — | ||
| 11ax HE80 EVM compliant | MCS9 | — | 11 | — | ||
| 11ax HE80 EVM compliant | MCS10-11 | — | 10 | — | ||
| ATx | Transmit power accuracy at 25 ℃ | — | -2.0 | — | +2.0 | dB |
Note 2: Final TX power values on each channel are limited by regulatory requirements.
WLAN transmitter characteristics for UNII-7 and UNII-8 operation (VBAT = 3.3V, VDDIO = 1.8V)
| Symbol | Parameter | Conditions | Min | Typ | Max | Unit |
|---|---|---|---|---|---|---|
| Ftx | Transmit output frequency range | — | 6.53 | — | 7.125 | GHz |
| Pout | Output power | See Note2 | — | — | — | — |
| 11a mask compliant | 6-24Mbps | — | 15 | — | dBm | |
| 11ax HE20 mask compliant | MCS0-6 | — | 15 | — | ||
| 11ax HE20 EVM compliant | MCS7 | — | 13 | — | ||
| 11ax HE20 EVM compliant | MCS8 | — | 12 | — | ||
| 11ax HE20 EVM compliant | MCS9-11 | — | 10.5 | — | ||
| 11ax HE40 mask compliant | MCS0-6 | — | 15 | — | ||
| 11ax HE40 EVM compliant | MCS7 | — | 12 | — | ||
| 11ax HE40 EVM compliant | MCS8 | — | 11 | — | ||
| 11ax HE40 EVM compliant | MCS9 | — | 10 | — | ||
| 11ax HE40 EVM compliant | MCS10-11 | — | 8.5 | — | ||
| 11ax HE80 mask compliant | MCS0-6 | — | 14.5 | — | ||
| 11ax HE80 EVM compliant | MCS7 | — | 11 | — | ||
| 11ax HE80 EVM compliant | MCS8 | — | 10 | — | ||
| 11ax HE80 EVM compliant | MCS9-11 | — | 8.5 | — | ||
| ATx | Transmit power accuracy at 25 ℃ | — | -2.0 | — | +2.0 | dB |
Note 2: Final TX power values on each channel are limited by regulatory requirements.
WLAN Current Consumption
The following tables summarize the Sona IF573 series wireless module current consumption.
WLAN current consumption on 2.4 GHz (VBAT = 3.3V, VDDIO = 1.8V, BT_REG_ON = Low)
| Modulation | Data Rate | Spatial Stream | Output Power (dBm) | VBAT Current Consumption (mA) | VIO Current Consumption (mA) |
|---|---|---|---|---|---|
| CCK | 1 Mbps | 1 | 19 | 272 | 5.6 |
| BPSK | 6 Mbps | 1 | 18.5 | 261 | 3.6 |
| 64-QAM | HT20 MCS7 | 1 | 17 | 244 | 4.1 |
| 64-QAM | HT20 MCS15 | 2 | 17 | 439 | 5.0 |
| 256-QAM | HE20 MCS9 | 2 | 14.5 | 393 | 5.4 |
| 1024-QAM | HE20 MCS11 | 2 | 12.5 | 358 | 4.9 |
WLAN current consumption on 5 GHz (VBAT = 3.3V, VDDIO = 1.8V, BT_REG_ON = Low)
| Modulation | Bandwidth (MHz) | Data Rate | Spatial Stream | Output Power (dBm) | VBAT Current Consumption (mA) | VIO Current Consumption (mA) |
|---|---|---|---|---|---|---|
| BPSK | 20 | 6 Mbps | 1 | 18.5 | 401 | 3.6 |
| 64-QAM | 20 | 54 Mbps | 1 | 18 | 384 | 3.3 |
| BPSK | 20 | MCS0 | 2 | 18.5 | 715 | 6.3 |
| 64-QAM | 20 | MCS7 | 2 | 18 | 720 | 5.8 |
| 256-QAM | 20 | MCS9 | 2 | 16 | 655 | 6.9 |
| 1024-QAM | 20 | MCS11 | 2 | 15 | 631 | 7.2 |
| BPSK | 40 | MCS0 | 2 | 18 | 715 | 5.0 |
| 64-QAM | 40 | MCS7 | 2 | 17 | 700 | 4.5 |
| 256-QAM | 40 | MCS9 | 2 | 14 | 604 | 5.5 |
| 1024-QAM | 40 | MCS11 | 2 | 13.5 | 595 | 5.9 |
| BPSK | 80 | MCS0 | 2 | 18 | 761 | 4.0 |
| 64-QAM | 80 | MCS7 | 2 | 17 | 730 | 3.7 |
| 256-QAM | 80 | MCS9 | 2 | 14 | 656 | 4.3 |
| 1024-QAM | 80 | MCS11 | 2 | 13 | 635 | 4.6 |
WLAN current consumption on UNII-5 band (VBAT = 3.3V, VDDIO = 1.8V, BT_REG_ON = Low)
| Modulation | Bandwidth (MHz) | Data Rate | Spatial Stream | Output Power (dBm) | VBAT Current Consumption (mA) | VIO Current Consumption (mA) |
|---|---|---|---|---|---|---|
| BPSK | 20 | 6 Mbps | 1 | 17.5 | 326 | 4.3 |
| 64-QAM | 20 | 24 Mbps | 1 | 17.5 | 336 | 3.6 |
| BPSK | 20 | MCS0 | 2 | 17.5 | 631 | 6.5 |
| 64-QAM | 20 | MCS7 | 2 | 17 | 645 | 5.8 |
| 256-QAM | 20 | MCS9 | 2 | 14 | 548 | 5.1 |
| 1024-QAM | 20 | MCS11 | 2 | 14 | 536 | 4.8 |
| BPSK | 40 | MCS0 | 2 | 17.5 | 638 | 4.9 |
| 64-QAM | 40 | MCS7 | 2 | 16 | 587 | 4.5 |
| 256-QAM | 40 | MCS9 | 2 | 14 | 534 | 4.1 |
| 1024-QAM | 40 | MCS11 | 2 | 13 | 518 | 3.8 |
| BPSK | 80 | MCS0 | 2 | 17 | 691 | 4.1 |
| 64-QAM | 80 | MCS7 | 2 | 16 | 659 | 3.8 |
| 256-QAM | 80 | MCS9 | 2 | 13 | 571 | 4.5 |
| 1024-QAM | 80 | MCS11 | 2 | 12 | 558 | 4.2 |
WLAN current consumption on UNII-6 band (VBAT = 3.3V, VDDIO = 1.8V, BT_REG_ON = Low)
| Modulation | Bandwidth (MHz) | Data Rate | Spatial Stream | Output Power (dBm) | VBAT Current Consumption (mA) | VIO Current Consumption (mA) |
|---|---|---|---|---|---|---|
| BPSK | 20 | 6 Mbps | 1 | 17.5 | 341 | 4.4 |
| 64-QAM | 20 | 24 Mbps | 1 | 17.5 | 343 | 3.6 |
| BPSK | 20 | MCS0 | 2 | 17.5 | 631 | 6.3 |
| 64-QAM | 20 | MCS7 | 2 | 17 | 637 | 5.9 |
| 256-QAM | 20 | MCS9 | 2 | 14 | 535 | 5.3 |
| 1024-QAM | 20 | MCS11 | 2 | 14 | 534 | 4.9 |
| BPSK | 40 | MCS0 | 2 | 17.5 | 634 | 5.1 |
| 64-QAM | 40 | MCS7 | 2 | 16 | 581 | 4.6 |
| 256-QAM | 40 | MCS9 | 2 | 14 | 530 | 5.8 |
| 1024-QAM | 40 | MCS11 | 2 | 13 | 511 | 5.4 |
| BPSK | 80 | MCS0 | 2 | 17 | 695 | 4.1 |
| 64-QAM | 80 | MCS7 | 2 | 16 | 666 | 5.0 |
| 256-QAM | 80 | MCS9 | 2 | 13 | 578 | 4.6 |
| 1024-QAM | 80 | MCS11 | 2 | 12 | 555 | 4.2 |
WLAN current consumption on UNII-7 band (VBAT = 3.3V, VDDIO = 1.8V, BT_REG_ON = Low)
| Modulation | Bandwidth (MHz) | Data Rate | Spatial Stream | Output Power (dBm) | VBAT Current Consumption (mA) | VIO Current Consumption (mA) |
|---|---|---|---|---|---|---|
| BPSK | 20 | 6 Mbps | 1 | 17 | 321 | 4.4 |
| 64-QAM | 20 | 24 Mbps | 1 | 17 | 322 | 3.7 |
| BPSK | 20 | MCS0 | 2 | 17 | 615 | 6.4 |
| 64-QAM | 20 | MCS7 | 2 | 15 | 576 | 5.9 |
| 256-QAM | 20 | MCS9 | 2 | 12.5 | 518 | 5.3 |
| 1024-QAM | 20 | MCS11 | 2 | 12.5 | 504 | 4.9 |
| BPSK | 40 | MCS0 | 2 | 17 | 643 | 5.1 |
| 64-QAM | 40 | MCS7 | 2 | 14 | 552 | 4.7 |
| 256-QAM | 40 | MCS9 | 2 | 12 | 512 | 4.3 |
| 1024-QAM | 40 | MCS11 | 2 | 10.5 | 483 | 5.4 |
| BPSK | 80 | MCS0 | 2 | 16.5 | 681 | 4.2 |
| 64-QAM | 80 | MCS7 | 2 | 13 | 590 | 5.0 |
| 256-QAM | 80 | MCS9 | 2 | 12 | 571 | 4.5 |
| 1024-QAM | 80 | MCS11 | 2 | 10.5 | 540 | 4.7 |
WLAN current consumption on UNII-8 band (VBAT = 3.3V, VDDIO = 1.8V, BT_REG_ON = Low)
| Modulation | Bandwidth (MHz) | Data Rate | Spatial Stream | Output Power (dBm) | VBAT Current Consumption (mA) | VIO Current Consumption (mA) |
|---|---|---|---|---|---|---|
| BPSK | 20 | 6 Mbps | 1 | 17 | 335 | 4.4 |
| 64-QAM | 20 | 24 Mbps | 1 | 17 | 333 | 3.7 |
| BPSK | 20 | MCS0 | 2 | 17 | 630 | 6.3 |
| 64-QAM | 20 | MCS7 | 2 | 15 | 585 | 5.8 |
| 256-QAM | 20 | MCS9 | 2 | 12.5 | 521 | 5.2 |
| 1024-QAM | 20 | MCS11 | 2 | 12.5 | 526 | 6.7 |
| BPSK | 40 | MCS0 | 2 | 17 | 637 | 5.0 |
| 64-QAM | 40 | MCS7 | 2 | 14 | 544 | 4.6 |
| 256-QAM | 40 | MCS9 | 2 | 12 | 516 | 4.4 |
| 1024-QAM | 40 | MCS11 | 2 | 10.5 | 480 | 5.5 |
| BPSK | 80 | MCS0 | 2 | 16.5 | 661 | 4.1 |
| 64-QAM | 80 | MCS7 | 2 | 13 | 582 | 4.9 |
| 256-QAM | 80 | MCS9 | 2 | 12 | 569 | 4.5 |
| 1024-QAM | 80 | MCS11 | 2 | 10.5 | 541 | 4.7 |
Bluetooth Receiver Characteristics
The following tables describe the performance of the Bluetooth receiver at 25°C.
Basic Rate receiver performance (VBAT = 3.3V, VDDIO = 1.8V)
| Test Parameter | Min | Typ | Max | Bluetooth Spec. | Unit | |
|---|---|---|---|---|---|---|
| Sensitivity (1DH5) | BER ≤ 0.1% | — | -91 | — | ≤ -70 | dBm |
| Maximum Input | BER ≤ 0.1% | — | — | -20 | ≥ -20 | dBm |
| Interference Performance | Co-Channel | — | 8.5 | 11 | 11 | dB |
| C/I 1 MHz adjacent channel | — | -1.4 | 0 | 0 | dB | |
| C/I 2 MHz adjacent channel | — | -41 | -30 | -30 | dB | |
| C/I ≥ 3 MHz adjacent channel | — | -42.5 | -40 | -40 | dB | |
| C/I image channel | — | -31.5 | -9 | -9 | dB | |
| C/I 1-MHz adjacent to image channel | — | -44.5 | -20 | -20 | dB | |
Enhanced Data Rate receiver performance (VBAT = 3.3V, VDDIO = 1.8V)
| Test Parameter | Min | Typ | Max | Bluetooth Spec. | Unit | |
|---|---|---|---|---|---|---|
| Sensitivity (BER ≤ 0.01%) | π/4-DQPSK | — | -93 | — | ≤ -70 | dBm |
| 8-DPSK | — | -87 | — | ≤ -70 | dBm | |
| Maximum Input (BER ≤ 0.1%) | π/4-DQPSK | — | — | -20 | ≥ -20 | dBm |
| 8-DPSK | — | — | -20 | ≥ -20 | dBm | |
| C/I Co-Channel (BER ≤ 0.1%) | π/4-DQPSK | — | 10.5 | 13 | ≤ ±13 | dB |
| 8-DPSK | — | 18 | 21 | ≤ ±21 | dB | |
| C/I 1 MHz adjacent Channel | π/4-DQPSK | — | -6.5 | 0 | ≤ 0 | dB |
| 8-DPSK | — | -1 | 5 | ≤5 | dB | |
| C/I 2 MHz adjacent Channel | π/4-DQPSK | — | -38.5 | -30 | ≤ -30 | dB |
| 8-DPSK | — | -36.5 | -25 | ≤ -25 | dB | |
| C/I ≥ 3 MHz adjacent Channel | π/4-DQPSK | — | -42.5 | -40 | ≤ -40 | dB |
| 8-DPSK | — | -41.5 | -33 | ≤ -33 | dB | |
| C/I image channel | π/4-DQPSK | — | -30 | -7 | ≤ -7 | dB |
| 8-DPSK | — | -22.5 | 0 | ≤ 0 | dB | |
| C/I 1 MHz adjacent to image channel | π/4-DQPSK | — | -47.5 | -20 | ≤ -20 | dB |
| 8-DPSK | — | -41.5 | -13 | ≤ -13 | dB | |
Out-of-Band Blocking Performance (CW) BER ≤ 0.1% | 30-2000MHz | — | -10 | — | — | dBm |
| 2-2.399GHz | — | -27 | — | — | dBm | |
| 2.484-3GHz | — | -27 | — | — | dBm | |
| 3-12.75GHz | — | -10 | — | — | dBm | |
Bluetooth Transmitter Characteristics
The following tables describe the performance of the Bluetooth transmitter at 25°C.
BR / EDR transmitter performance (VBAT = 3.3V, VDDIO = 1.8V)
| Test Parameter | Min | Typ | Max | BT Spec. | Unit | |
|---|---|---|---|---|---|---|
| Maximum RF Output Power | GFSK | — | — | 7 | 0 ~ +20 | dBm |
| π/4-DQPSK | — | 3 | — | |||
| 8-DPSK | — | 3 | — | |||
| Frequency Range | 2.4 | — | 2.4835 | 2.4 ≤ f ≤ 2.4835 | GHz | |
| 20 dB Bandwidth | — | 914.5 | — | ≤ 1000 | KHz | |
| Δf1avg Maximum Modulation | 140 | 154 | 175 | 140 < Δf1avg < 175 | KHz | |
| Δf2max Minimum Modulation | 115 | 147 | — | ≥ 115 | KHz | |
| Δf2avg/Δf1avg | — | 0.95 | — | ≥ 0.80 | — | |
| Initial Carrier Frequency | — | ± 25 | ± 75 | ≤ ± 75 | KHz | |
| Frequency Drift (DH1 packet) | — | ± 8 | ± 25 | ± 25 | KHz | |
| Frequency Drift (DH3 packet) | — | ± 8 | ± 40 | ± 40 | KHz | |
| Frequency Drift (DH5 packet) | — | ± 8 | ± 40 | ± 40 | KHz | |
| Drift rate | — | 5 | 20 | 20 | KHz/50us | |
| EDR ꙍi | — | — | ± 75 | ≤ ± 75 | KHz | |
| EDR ꙍ0 | — | — | ± 10 | ≤ ± 10 | KHz | |
| EDR (ꙍi + ꙍ0) | — | — | ± 75 | ≤ ± 75 | KHz | |
| RMS DEVM for π/4-DQPSK | — | — | ≤ 0.2 | ≤ 0.2 | — | |
| RMS DEVM for 8-DPSK | — | — | ≤ 0.13 | ≤ 0.13 | — | |
| Peak DEVM for π/4-DQPSK | — | — | ≤ 0.35 | ≤ 0.35 | — | |
| Peak DEVM for 8-DPSK | — | — | ≤ 0.25 | ≤ 0.25 | — | |
| 99% DEVM for π/4-DQPSK | — | — | ≤ 0.30 | ≤ 0.30 | — | |
| 99% DEVM for 8-DPSK | — | — | ≤ 0.20 | ≤ 0.20 | — | |
| EDR In-Band Spurious Emission | |M-N| ≥ 2.5 MHz | — | -43 | -40 | < -40 | dBm |
| 1.5 MHz < |M-N| < 2.5 MHz | — | -31 | -20 | ≤ -20 | dBm | |
| 1.0 MHz < |M-N| < 1.5 MHz | — | -38 | -26 | ≤ -26 | dBm | |
Bluetooth Current Consumption
The following tables describe the Bluetooth current consumption at 25°C.
Bluetooth transmitter current consumption (VBAT = 3.3V, VDDIO = 1.8V, WL_REG_ON = OFF)
| Operation Mode | Data Rate | VBAT Current Consumption (mA) | VIO Current Consumption (mA) |
|---|---|---|---|
| Basic Data Rate | 1DH5 | 18.9 | 0.76 |
| Enhanced Data Rate | 2DH5 | 18.4 | 0.77 |
| 3DH5 | 18.3 | 0.77 | |
| Low-Energy | 1 Mbps | 20.3 | 0.76 |
| 2 Mbps | 13.4 | 0.71 | |
| 500 Kbps | 17.9 | 0.75 | |
| 125 Kbps | 23.6 | 0.78 |
BLE RF Specifications
BLE RF Specifications (VBAT = 3.3V, VDDIO = 1.8V)
| Parameter | Conditions | Min | Typ | Max | Unit | |
|---|---|---|---|---|---|---|
| Frequency range | — | 2402 | — | 2480 | MHz | |
| Rx sensitivity1 | GFSK, PER ≤ 30.8% | 1 Mbps | — | -95 | — | dBm |
| 2 Mbps | — | -92 | — | dBm | ||
| 500 Kbps | — | -102 | — | dBm | ||
| 125 Kbps | — | -107 | — | dBm | ||
| Tx power2 | — | — | — | 7 | dBm | |
| Δf1 average | 1 Mbps | 225 | 255 | 275.5 | KHz | |
| 2 Mbps | 450 | 500 | 550 | KHz | ||
| 125 Kbps | 225 | 255 | 275 | KHz | ||
| Δf2 average | 1 Mbps | 185 | 230 | — | KHz | |
| Δf2 maximum3 | 2 Mbps | 370 | 450 | — | KHz | |
| Δf1 average (Stable Modulation) | 1 Mbps | 247.5 | 250 | 252.5 | KHz | |
| 2 Mbps | 495 | 500 | 550 | KHz | ||
| 125 Kbps | 247.5 | 250 | 252.5 | KHz | ||
| ratio | 1 Mbps | 0.8 | 1.0 | — | % | |
| 2 Mbps | 0.8 | 1.0 | — | % | ||
Notes:
[1] Dirty Tx is Off.
[2] The Bluetooth LE TX power cannot exceed 10 dBm EIRP specification limit. The front-end losses and antenna gain/loss must be factored in so as not to exceed the limit.
[3] At least 99.9% of all Δf2 maximum frequency values recorded over 10 packets must be greater than 185 KHz.
Integration Guidelines
Antenna Characteristics
Circuit (Overview and Checklist)
The following is a list of RF layout design guidelines and recommendation when installing a Ezurio radio into your device.
- Do not run antenna cables directly above or directly below the radio.
- Do not place any parts or run any high-speed digital lines below the radio.
- Ensure that there is the maximum allowable spacing separating the antenna connectors on the Ezurio radio from the antenna. In addition, do not place antennas directly above or directly below the radio.
- Ezurio recommends the use of a double-shielded cable for the connection between the radio and the antenna elements.
- Be sure to put a 10uF/16V/0603 capacitor on EACH 3.3V power pin. Place the capacitor as close as possible to the pin to ensure correct PMU operation.
- Use proper electro-static-discharge (ESD) procedures when installing the Ezurio radio module. To avoid negatively impacting Tx power and receiver sensitivity, do not cover the antennas with metallic objects or components.
External Antenna Integration
RF Antenna Connector Configuration
Antenna connectors for the SMT and M.2 2230 modules are designated as shown below.

Host Platform Implementation Details
M.2 1318 WLAN Interface Selection
The Sona IF573 M.2 1318 module must be configured for either PCIe or SDIO WLAN interface. Configuration is done with resistor strapping as specified below.
| WLAN/Bluetooth Interface | GPIO_1 (Pin24) | LED_1# (Pin 65) |
|---|---|---|
| PCIe / UART | H | H |
| SDIO /UART | L | H |
Note: The M.2 2230 E-Key module strapping is implemented on the M.2 carrier board.
Bluetooth Interface Requirements
The CYW55573 Bluetooth CPU core requires the UART_CTS input to be held low at the point the BT_REG_ON (W_DISABLE2#) signal goes high to enable secure firmware download. In addition, the HCI interface uses the standard H4 protocol which requires four-wire hardware handshaking.
This requires that the host implement GPIO control over BT_REG_ON/W_DISABLE2# and implement full RTS/CTS handshaking.
Low Power Clock
The Sona IF573 requires a 32KHz clock on the SUSCLK input. This clock drives various internal state machines and must be provided by the host even if low power operation is not needed.
WL_DEV_WAKE Mapping
The WL_DEV_WAKE feature is mapped to different pins on the M.2 1318 module depending on the WLAN interface selection. See below for details.
| WLAN Interface | M.2 1318 Pin | Internal GPIO |
|---|---|---|
| PCIe | 22 | GPIO_8 |
| SDIO | 18 | LHL_GPIO1 |
Note: This feature is subject to software support and not currently implemented.
32 KHz Crystal
| 32.768 KHz Oscillator | |
|---|---|
| Frequency Accuracy | 200 ppm |
| Duty Cycle | 30% – 70% |
| Input Signal Amplitude | 200-3300 mV, peak-peak |
| Signal Type | Square or Sine Wave |
| Clock Jitter | <10,000 ppm |
IMPORTANT: A 32.768 KHz crystal is required for the module to be functional. The module will not boot without this crystal.
Application Note for Surface Mount Modules
Introduction
Ezurio’s surface mount modules are designed to conform to all major manufacturing guidelines. This application note is intended to provide additional guidance beyond the information that is presented in the user manual. This application note is considered a living document and will be updated as new information is presented.
The modules are designed to meet the needs of several commercial and industrial applications. They are easy to manufacture and conform to current automated manufacturing processes.
Recommended Stencil Aperture

Note: The stencil thickness is be 0.12 mm.
Reflow Parameters
Note: When soldering, the stencil thickness should be 0.12 mm.
Convection reflow or IR/Convection reflow (one-time soldering or two-time soldering in air or nitrogen environment)
Measuring point – IC package surface
Temperature profile:

- Solder paste alloy: SAC305(Sn96.5 / Ag3.0 / Cu 0.5)
- Pre-heat temperature: 150℃ ~ 200℃; Soak time: 60 second ~ 120 second
- Peak temperature: 235℃ ~ 250℃
- Time above 220℃: 40 second ~ 90 second
- Optimal cooling rate < 3℃/second
- The oxygen concentration < 2000 ppm
Baking Conditions
Baking Conditions
Baking conditions and processes for the module follow the J-STD-033 standard which includes the following:
- The calculated shelf life in a sealed bag is 12 months at <40℃ and <80% relative humidity.
- Once the packaging is opened, the SiP must be mounted (per MSL4/Moisture Sensitivity Level 4) within 72 hours at <30˚C and <60% relative humidity.
If the SiP is not mounted within 72 hours or if, when the dry pack is opened, the humidity indicator card displays >10% humidity, then the product must be baked for 48 hours at 125 ˚C (±5 ˚C).
Cautions when Removing the M.2 1318 from the Platform for RMA
- Bake the platform before removing the M.2 1318 module from the platform.
- Remove the M.2 1318 module by using a hot air gun. This process should be carried out by a skilled technician.
Recommended conditions:
One-side component platform:
- Set the hot plate at 280°C.
- Put the platform on the hot plate for 8~10 seconds.
Remove the device from platform.

Two-side components platform:
- Use two hot air guns.
- On the bottom, use a pre-heated nozzle (temp setting of 200~250°C) at a suitable distance from the platform PCB.
On the top, apply a remove nozzle (temp setting of 330°C). Heat until device can be removed from platform PCB.

- Remove the residue solder under the bottom side of device. (Note: Alternate module pictured as an example)
![]() | ![]() |
| (Not accepted for RMA) | (Accepted for RMA analysis) |
| Example module with residue solder on the bottom | Example module without residue solder |
Remove and clean the residue flux as needed.
Precautions for Use
- Opening/handling/removing must be done on an anti-ESD treated workbench. All workers must also have undergone anti-ESD treatment.
- The devices should be mounted within one year of the date of delivery.
- The Sona IF573 modules are MSL level 4 rated.
Shipping and Labeling
Packaging
M.2 1218 Solder-Down


There are 1,000 Sona IF573 modules taped in a reel (and packaged in a pizza box) and three boxes per carton (3,000 modules per carton). Reel, boxes, and carton are labeled with the appropriate labels. See below for more information.


M.2 2230 E-Key Module



Labeling
M.2 1218 Solder-Down
The following labels are located on the antistatic bag.


The following label is located on the pizza box.

The following package label is located on adjacent sides of the master carton.

M.2 2230 E-Key Module
The following label is placed on the bag and the inner box.

The following label is located on the adjacent sides of the master carton.

Environmental and Reliability
Environmental Requirements
Required Storage Conditions
Prior to Opening the Dry Packing
The following are required storage conditions prior to opening the dry packing:
- Normal temperature: 5~40˚C
- Normal humidity: 80% (Relative humidity) or less
- Storage period: One year or less
Note: Humidity means relative humidity.
After Opening the Dry Packing
The following are required storage conditions after opening the dry packing (to prevent moisture absorption):
Storage conditions for one-time soldering:
- Temperature: 5-25°C
- Humidity: 60% or less
- Period: 72 hours or less after opening
Storage conditions for two-time soldering
Storage conditions following opening and prior to performing the 1st reflow:
- Temperature: 5-25°C
- Humidity: 60% or less
- Period: A hours or less after opening
Storage conditions following completion of the 1st reflow and prior to performing the 2nd reflow
- Temperature: 5-25°C
- Humidity: 60% or less
- Period: B hours or less after completion of the 1st reflow
Note: Should keep A+B within 72 hours.
Temporary Storage Requirements after Opening
The following are temporary storage requirements after opening:
- Only re-store the devices once prior to soldering.
- Use a dry box or place desiccant (with a blue humidity indicator) with the devices and perform dry packing again using vacuumed heat-sealing.
The following indicate the required storage period, temperature, and humidity for this temporary storage:
Storage temperature and humidity:

*** - External atmosphere temperature and humidity of the dry packing
Storage period:
- X1+X2 – Refer to Required Storage Conditions. Keep is X1+X2 within 72 hours.
- Y – Keep within two weeks or less.
Reliability Tests
The Sona IF573 modules were tested for reliability. Test items and the corresponding standards are shown below.
Environmental and Mechanical
The following are the followed reliability test procedures.
Sona IF573 M.2 1318 Solder-down Module Reliability Test Items and Standards
| Test Item | Specification | Standard | Test Result |
|---|---|---|---|
| Step 1: Pre-conditioning | Pre-check:
Pre-conditioning:
Post-check:
| JESD22-A113 | Pass |
| Step 2: Temperature Cycling Non-operating |
| JESD22-A113 | Pass |
| Vibration Non-operating Unpackaged device |
| JEDEC 22-B103B (2016) | Pass |
Mechanical Shock Non-operating |
| JEDEC 22-B110B.01 (2019) | Pass |
Sona IF573 M.2 2230 E-Key Module Reliability Test Item and Standards
| Test Item | Specification | Standard | Test Result |
|---|---|---|---|
| Thermal Shock |
| *JESD22-A106 *IEC 60068-2-14 for dwell time and number of cycles | Pass |
| Vibration Non-operating Unpackaged device |
| JEDEC 22-B103B (2016) | Pass |
| Mechanical Shock Non-operating Unpackaged device |
| JEDEC 22-B110B.01 (2019) | Pass |
Reliability Prediction
| Test Item | Specification | Standard |
|---|---|---|
| Mean Time Between Failure (MTBF) |
| Telcordia SR-332 Issue 4 (2016) |
| Ezurio Part Number | Environment | Test Result 45 ℃ (Hours) |
|---|---|---|
| 453-00117R 453-00117C 453-00118R 453-00118C | Ground, Fixed, Uncontrolled Ground, Mobile | 13,987,080.94 10,659,368.74 |
| Ezurio Part Number | Environment | Test Result 85 ℃ (Hours) |
|---|---|---|
| 453-00117R 453-00117C 453-00118R 453-00118C | Ground, Fixed, Uncontrolled Ground, Mobile | 2,751,512.41 2,095,110.62 |
| Ezurio Part Number | Environment | Test Result 45 ℃ (Hours) |
|---|---|---|
| 453-00119 453-00120 | Ground, Fixed, Uncontrolled Ground, Mobile | 8,861,616.79 6,713,673.22 |
| Ezurio Part Number | Environment | Test Result 85 ℃ (Hours) |
| 453-00119 453-00120 | Ground, Fixed, Uncontrolled Ground, Mobile | 1,752,775.15 1.327,284.04 |
Regulatory, Qualification & Certifications
Regulatory Approvals
Note: For complete regulatory information, refer to the Sona IF573 Regulatory Information document which is also available from the Sona IF573 product page.
The Sona IF573 holds current certifications in the following countries:
| Country/Region | Regulatory ID |
|---|---|
| USA (FCC) | SQG-SONAIF573 |
| EU | N/A |
| UKCA | N/A |
| Canada (ISED) | 3147A-SONAIF573 |
| Japan (MIC) | 201-220656 |
| Australia | N/A |
| New Zealand | N/A |
Certified Antennas
The Sona IF573 module was tested with antennas listed in the following table. The OEM can choose a different manufacturer’s antenna but must make sure it is of same type and that the gain is lesser than or equal to the antenna that is approved for use.
| Manufacturer | Model | Ezurio Part Number | Type | Connector | Peak Gain (dBi) 2.4 GHz | Peak Gain (dBi) 5 GHz | Peak Gain (dBi) 6 GHz |
|---|---|---|---|---|---|---|---|
| Ezurio (Laird Connectivity) | FlexMIMO 6E | EFD2471A3S-10MH4L | PIFA | MHF4L | 2.2 | 3.8 | 3.3 |
| Ezurio (Laird Connectivity) | FlexPIFA 6E | EFB2471A3S-10MH4L | PIFA | MHF4L | 2.2 | 3.9 | 3.8 |
| Ezurio (Laird Connectivity) | Mini NanoBlade Flex 6 GHz | EMF2471A3S-10MH4L | PCB Dipole | MHF4L | 2.4 | 4.4 | 5.2 |
| Joymax Inc. | Dipole 6E | TWX-100BRSAX-2001 / TWX-100BRS3B | Dipole | RP-SMA | 2 | 4.0 | 4.0 |
Bluetooth SIG Qualification
The Bluetooth Qualification Process promotes global product interoperability and reinforces the strength of the Bluetooth® brand and ecosystem to the benefit of all Bluetooth SIG members. The Bluetooth Qualification Process helps member companies ensure their products that incorporate Bluetooth technology comply with the Bluetooth Patent & Copyright License Agreement and the Bluetooth Trademark License Agreement (collectively, the Bluetooth License Agreement) and Bluetooth Specifications.
The Bluetooth Qualification Process is defined by the Qualification Program Reference Document (QPRD) v3.
To demonstrate that a product complies with the Bluetooth Specification(s), each member must for each of its products:
- Identify the product, the design included in the product, the Bluetooth Specifications that the design implements, and the features of each implemented specification
- Complete the Bluetooth Qualification Process by submitting the required documentation for the product under a user account belonging to your company
The Bluetooth Qualification Process consists of the phases shown below:

To complete the Qualification Process the company developing a Bluetooth End Product shall be a member of the Bluetooth SIG. To start the application please use the following link: Apply for Adopter Membership
Scope
This guide is intended to provide guidance on the Bluetooth Qualification Process for End Products that reference multiple existing designs, that have not been modified, (refer to Section 3.2.2.1 of the Qualification Program Reference Document v3).
For a Product that includes a new Design created by combining two or more unmodified designs that have DNs or QDIDs into one of the permitted combinations in Table 3.1 of the QPRDv3, a Member must also provide the following information:
- DNs or QDIDs for Designs included in the new Design
- The desired Core Configuration of the new Design (if applicable, see Table 3.1 below)
- The active TCRL Package version used for checking the applicable Core Configuration (including transport compatibility) and evaluating test requirements
Any included Design must not implement any Layers using withdrawn specification(s).
When creating a new Design using Option 2a, the Inter-Layer Dependency (ILD) between Layers included in the Design will be checked based on the latest TCRL Package version used among the included Designs.
For the purposes of this document, it is assumed that the member is combining unmodified Core-Controller Configuration and Core-Host Configuration designs, to complete a Core-Complete Configuration.
Qualification Steps When Referencing multiple existing designs, (unmodified) – Option 2a in the QPRDv3
For this qualification option, follow these steps:
- To start a listing, go to: https://qualification.bluetooth.com/
- Select Start the Bluetooth Qualification Process.
Product Details to be entered:
- Project Name (this can be the product name or the Bluetooth Design name).
- Product Description
- Model Number
- Product Publication Date (the product publication date may not be later than 90 days after submission)
- Product Website (optional)
- Internal Visibility (this will define if the product will be visible to other users prior to publication)
- If you have multiple End Products to list then you can select ‘Import Multiple Products’, firstly downloading and completing the template, then by ‘Upload Product List’. This will populate Qualification Workspace with all your products.
Specify the Design:
- Do you include any existing Design(s) in your Product? Answer Yes, I do.
- Enter the multiple DNs or QDIDs used in your, (for Option 2a two or more DNs or QDIDs must be referenced)
- Select ‘I’m finished entering DN’s
- Once the DNs or QDIDs are selected they will appear on the left-hand side, indicating the layers covered by the design (should show Core-Controller and Core Host Layers covered).
- What do you want to do next? Answer, ‘Combine unmodified Designs’.
- The Qualification Workspace Tool will indicate that a new Design will be created and what type of Core-Complete configuration is selected.
- An active TCRL will be selected for the design.
- Perform the Consistency Check, which should result in no inconsistencies
- If there are any inconsistencies these will need to be resolved before proceeding
- Save and go to Test Plan and Documentation
Test Plan and Documentation
- As no modifications have been made to the combined designs the tool should report the following message:
‘No test plan has been generated for your new Design. Test declarations and test reports do not need to be submitted. You can continue to the next step.’ - Save and go to Product Qualification fee
- As no modifications have been made to the combined designs the tool should report the following message:
Product Qualification Fee:
- It’s important to make sure a Prepaid Product Qualification fee is available as it is required at this stage to complete the Qualification Process.
- Prepaid Product Qualification Fee’s will appear in the available list so select one for the listing.
- If one is not available select ‘Pay Product Qualification Fee’, payment can be done immediately via credit card, or you can pay via Invoice. Payment via credit will release the number immediately, if paying via invoice the number will not be released until the invoice is paid.
- Once you have selected the Prepaid Qualification Fee, select ‘Save and go to Submission’
Submission:
- Some automatic checks occur to ensure all submission requirements are complete.
- To complete the listing any errors must be corrected
- Once you have confirmed all design information is correct, tick all of the three check boxes and add your name to the signature page.
- Now select ‘Complete the Submission’.
- You will be asked a final time to confirm you want to proceed with the submission, select ‘Complete the Submission’.
- Qualification Workspace will confirm the submission has been submitted. The Bluetooth SIG will email confirmation once the submission has been accepted, (normally this takes 1 working day).
Download Product and Design Details (SDoC):
- You can now download a copy of the confirmed listing from the design listing page and save a copy in your Compliance Folder
For further information, please refer to the following webpage:
https://www.bluetooth.com/develop-with-bluetooth/qualification-listing/
Example Design Combinations
The following gives an example of a design possible under option 2a:
Ezurio Controller Subsystem + BlueZ 5.50 Host Stack (Ezurio Sona IF573 based design)
| Design Name | Owner | Declaration ID | QD ID | Link to listing on the SIG website |
| Sona IF573 | Ezurio | D063147 | 202782 | https://qualification.bluetooth.com/ListingDetails/171057 |
| BlueZ 5.50 Host Stack | Ezurio | D046330 | 138224 | https://qualification.bluetooth.com/ListingDetails/93911 |
Qualify More Products
If you develop further products based on the same design in the future, it is possible to add them free of charge. The new product must not modify the existing design i.e add ICS functionality, otherwise a new design listing will be required.
To add more products to your design, select ‘Manage Submitted Products’ in the Getting Started page, Actions, Qualify More Products. The tool will take you through the updating process.
Ordering Information
| Part Number | Description |
|---|---|
| 453-00117R | Sona IF573 1318 Module, MHF4, Tape and Reel |
| 453-00117C | Sona IF573 1318 Module, MHF4, Cut Tape |
| 453-00118R | Sona IF573 1318 Module, RF Trace Pin, Tape and Reel |
| 453-00118C | Sona IF573 1318 Module, RF Trace Pin, Cut Tape |
| 453-00119 | Sona IF573 M.2 2230 Module, Key E, SDIO/UART |
| 453-00120 | Sona IF573 M.2 2230 Module, Key E, PCIe/UART |
| 453-00119-K1 | Sona IF573 M.2 2230 Module Development Kit, SDIO/UART |
| 453-00120-K1 | Sona IF573 M.2 2230 Module Development Kit, PCIe/UART |
Legacy - Revision History
| Version | Date | Notes | Contributors | Approver |
|---|---|---|---|---|
| 0.1 | 8 June 2023 | Preliminary release | Various | Andy Ross |
| 0.2 | 13 July 2023 | Updates to Table 38: M.2 2230 E-Key pin definitions – WL_DEV_WAKE and BT_DEV_WAKE voltage | Jacky Kuo | Andrew Chen |
| 0.3 | 8 Aug 2023 | Added Transmit Power to Table 3: Specifications | Jacky Kuo | Andrew Chen |
| 0.4 | 11 Aug 2023 | Updated 7.1 M.2 1318 Solder-down | Jacky Kuo | Connie Lin |
| 0.5 | 20 Oct 2023 | Updated Table 12 through Table 21 in 8.5 WLAN Transmitter Characteristics | Jacky Kuo | Andy Ross |
| 1.0 | 23 Oct 2023 | Initial release | Andrew Chen Connie Lin Dean Ramsier Jacky Kuo Kris Sidle Peter Scharpf Andrew Dobbing | Andy Ross |
| 1.1 | 5 Dec 2023 | Updates to Table 37: M.2 1318 pin definitions and Table 38: M.2 2230 E-Key pin definitions. Removed channel sets as duplicated in Regulatory Information Guide. | Dean Ramsier Jacky Kuo Andrew Chen | Andy Ross |
| 1.2 | 11 Dec 2023 | Updated 19.1Certified Antennas section | Connie Lin | Andy Ross |
| 1.3 | 9 Jan 2024 | Added 10 Crystal Oscillator Requirement | Dave Drogowski | Andy Ross |
| 1.4 | 26 Jan 2024 | Updates to Description of Control Signals | Jacky Kuo | Andy Ross |
| 1.5 | 7 Feb 2024 | Added RF Antenna Connector Configuration | Erik Lins | Andy Ross |
| 1.6 | 23 Feb 2024 | Updated Table 37 with info on pins 11-12 | Jacky Kuo | Andrew Chen |
| 1.7 | 29 July 2024 | Fixed Pin 56 description in Table 38: M.2 2230 E-Key pin definitionsTable 37: M.2 1318 pin definitions | Jacky Kuo | Dave Drogowski |
| 2.1 | 22 Oct 2024 | Updated the pull-down resistor values for “Pin 28” and “Pin 63” in the “Table 37” to “50 k” from "200 k". | Jacky Kuo | Dave Drogowski |
| 1.9 | 30 Oct 2024 | Updated Bluetooth Qualification process | Dave Drogowski | Jonathan Kaye |
| 2.0 | 11 Feb 2025 | Rebranded with Ezurio branding | Sue White | Dave Drogowski |
| 2.1 | 16 May 2025 | Updated for Bluetooth Core 6.0 | Dave Drogowski | Andy Ross |
/filters:background_color(white)/2024-10/Sona%20IF573%20-%20Family.png)



